Things done 1 - 21/a

from September 2012 onwards

Started on 3 September

Status: 25 December 2012

Please notice that from 26 December 2012 onwards this page is succeeded by Things done 2

However up to subject number 21 all is left as it was. For those starting to read this page, please continue as at the final end a new link will link you directly onto the new webpage.

 

In our Nachtfee page: Things to be done, prepared during my vacation, I suggested that the current Nachtfee setup is not appropriate, because it disturbs the existing displays in our rear exhibition hall too much. Therefore, my first task is rearranging the 4 Nachtfee display tables.

After due considerations it proved that it is possible to place the simulated aircraft system just next to the already existing aircraft system displays. Skipping two moveable tables. The rather heavy Nachtfee console with its weight of about 85 kg is kept on a moveable table, as it may sometimes be necessary to enter Nachtfee from the rear. The Gemse receiver could be mounted onto a rack-frame together with the Variac transformer. 

 

And

 

The original artefact displays had to be moved towards the rear wall of our museum

Virtually making this former display quasi redundant. I was also not very much pleased how Nachtfee is dominating virtually the entire hall.

Therefore 'Nachtfee' is being moved to a newly created space, where it is more in line to its surroundings.

 

On the left our replica of the FuG25a test mounting, which was in wartime days mounted somewhere inside the fuselage of a German aircraft, except for the small control-box BG25a on the far right of the wooden frame. The vertical rod is the combined transmit and received antenna (in this case only the RX is connected, the transmitter is loaded with a dummy only) it is evident that it should have been mounted outside onto the aircraft body. On the right, on top the synthesiser PM5193 constituting the programmable time-base for the simulated aircraft display; which CRT function it is to indicate the various 'orders' originating from the Nachtfee ground console. The HP scope CRT is displaying a circular trace. The order (blip or dot) vector is originating from the FuG25a RX. Below the scope the 24 V power supply for the FuG25a system

(Bladwijzer180)

 

Just opposite the simulated aircraft system is now the simulated Nachtfee ground system. Below the Nachtfee unit the R&S HF generator which provides the 124 MHz signal. On top of it the Philips LF synthesiser PM5190X, which has to provide the simulated EGON signal (PRF = 500 Hz); also being "a thing to be done". Right of the R&S generator, the TTi pulse generator and on top of it a power supply (20 V). On the far right on top of the wooden frame: the GEMSE ground receiver code-name Gemse. Below it the Variac transformer, which main function is to separate the Nachtfee power-lines from our regular mains, preventing hazardous situations. It allows also the reduction of the our current European power-line voltage of say 235-240 V; whereas Nachtfee should be fed with 220 V (also separately the quartz thermostatic oven)

 

The only thing accomplished yet is rearranging the Nachtfee display. 

 

Viewing the previous situation from a different perspective

 

A third view, albeit showing better how it is integrated into the entire exhibition.

 

 

To underline the logical sense of this new setup of the aircraft system, real or hypothetical, is the combination with the FuG10 system display. On the far right we see the so-called: Funkertisch (aircraft table for the wireless operator) originating from a Siebel 204, which is combined with the existing FuG10 system. The Al plate on the right will, Deo volente, soon carry our FuG16ZY. The grey unit on the right-hand-side is its navy version: Lo10UK39

 

Shown is the simulated FuG136 (Nachtfee) aircraft display system. On top the time-base generator, using a LF synthesiser. The advantage of this one, is the existing up-down buttons, which, when programmed appropriate, allows fluently steps of 0.001 Hz. Very necessary during the long lasting warming-up period of the Nachtfee quartz controlled time reference. The HP scope is showing the painted circular trace where upon the 'order' blip or dot is indicating the Nachtfee 'orders'. Below it the 24 V power supply to the FuG25a system

This latter setup is temporarily, because our assistant Dick Zijlmans is kindly managing to get an especially made wooden frame for us.

 

 

On 4/7 September 2012

 

Time is right to make the Nachtfee operational again, after it had been moved to a new exhibition place

 

 

No wonder, that starting up Nachtfee again encountered some problems

It was soon found that the TTi pulse generator refused to operate, apparently owing to a too low signal level (Nachtfee data output) at its trigger-input. Though, why? After some experiments I opened its top cover, because I encountered in the past a not yet solved problem and measured the HT at the anode of the data-output amplifier. It is found that the anode voltage being 320 V and that the cathode voltage was about 12 V! Both far too high for a RV12P2000, which becomes even too hot to be touched! However, this was not the real reason why triggering failed. It was eventually discovered that the 'order' goniometer-rotor-rings were oxidised. After rotating the 'order' pointer a few times the Nachtfee data output was more or less appropriate again. The screen shot shows the HF output of the pulse modulator. Without modulator pulses there does not exist HF. That the HF pulse does not look like as is expected is simply caused by the RC combination of the modulator stage, which is keyed open by means of the TTi pulse modulator output directly. The collector voltage is jumping up and down in 2 ms interval (dc off-set changing) for some µs. Please consider for details: survey-report page 76, for whatever reason, I forgot to implement in this drawing the external bias-resistor, which is linked just where the diode and the 2.7 kohm resistor are joining together. 

 

After HF was provided on the Nachtfee side again, the FuG25a failed still to receive its signal. Even over a distance of 2.5 m it didn't work. The reason is, that the FuG25a antenna is normally mounted onto the fuselage of an aircraft (also because I have not yet adjusted the AAG25a antenna-tuning accordingly). It proved that ground (counterpoise) was not  sufficiently available. After having extended it ground plane by means of the Al frame on the right-hand side, the Erstling transponder works appropriately again. Its TX output is loaded by means of a dummy

 

 

Please notice the neon indicator inside the right-hand control-box (BG25a) above. The 'Order' pointer set at fad; and notice the vectors of the two pulses painted onto the LB2 control screen

 

A nice example of non-coherence. The pointer facing W and the two blips at the LB2 still facing into the previous vector

The reason is simple, because the shown signal originate from the (simulated) aircraft time base.

 

The simulated aircraft display showing two signals

The two small dots 'south' are originating from the Nachtfee 'order' signal (not yet found out why this is painted twice). The bright pulse is the time-base-phase signal (5 to the hour) modulated onto pin 9 of the FuG25a test connector. Why it is always pointing at this particular vector I have not yet determined. There exists, of course, a constant phase difference between the sine wave that generates the circular screen and the feedback signal fed onto the same point at point 9 of the FuG25a test connector; both are derived from the same signal source (PM5193 synthesiser).

 

The quite vague pulses in the centre show the area where is the returning (simulated) aircraft time-base-signal is kept in-phase with the Nachtfee internal timing system. The band-width of the Nachtfee video chain is likely too narrow for coping with these short lasting pulses

Just a brainwave: The EGON pulses will be only about 2 µs wide, which bandwidth (value) may well being beyond the actual bandwidth of the Nachtfee video channel (Impulsamplitude). The thus also returning Freya-EGON pulses (from the IFF transponder) will then be virtually made invisible on the HRP2/100/1,5(A) and LB2 screens!  

 

The simulated aircraft time base adjusted onto Nachtfee channel Q6 at 501.891 Hz

It is interesting that Q6 is also tending to be lower than its supposed 502 Hz frequency. Its response is nevertheless in line to channel quartz Q5. We should, however, notice that also the PM5193 internal time base may have a certain frequency deviation. But, when we consider that it is likely that it operates at about 10 MHz (and being Tc controlled) - for 500 Hz the deviation correction will rather minor. 

 

 Just left of the power supply in the tiny Al box the pulse/differentiating module; which we previously have used as well

The only thing to be done soon is: changing its pulse-width experimentally, as to adapt it better onto the dual trace CRT HRP2/100/1,5A screen. The actual pulses are proving to be far too narrow for proper phase alignment. 

 

 

On 8 September 2012

Yesterday I got a second pulse generator, which is necessary for the simulation of the additional Freya-EGON signal. You may ask why not making such a device yourself? The reason is quite simple, these kind of testing gear allow the adjustment of the output pulses over a wide range.

 

The Tektronix pulse generator type PG 508

 

The PG 508 output pulses

This apparatus as well as our TTi one are having all the same facilities. Albeit, this one allows better pulse settings. It is fed not from the Nachtfee console but from the Philips PM5190 synthesiser set at 500 Hz.

 

The new setup

The next step to be done is feeding the pulse PG 508 output pulse onto the HF pulse modulator, for which a new provision has to be made. Consisting of an additional BNC chassis plug. Internally I have in mind to add among the basis bias limiting resistor two Schottky diodes as to prevent overloading of the pulse generator output stages. Above the R&S SMS HF generator we see the PM5190 synthesiser set at 500 Hz, simulating the EGON PRF.

 

 The system layout as it eventually should be fit together. The left-hand side is already materialised

Please click on the above schematic as to open it in PDF

Please remember that the PG 508 is inside the red square (Freya-EGON simulation.

 

 

On 11 September 2012

 

I tested whether the two pulse modulators could work together (together modulating the HF). It was encountered that the sensitivity of the FuG25a receiver was totally inadequate for bridging even a distance of 2.5 meters!

It was decided to investigate this problem first.

It was found that the antenna did not respond as one may expect. Would the tuning trimmer be defect, or what else?

 

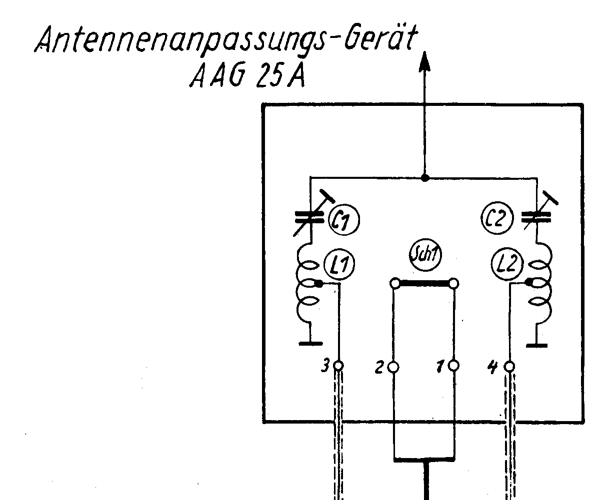
The schematic of the antenna-matching unit AAG 25a

L 2 and C 2 is for the antenna RX tuning. Both tuned circuits are operating is serial resonance mode. In this case its impedance is low and outside resonance impedance is high. L2/C2 is tuned at, say, about 124 MHz and L1/C1 is operating at about 156 MHz. Both spectra are separated enough so that they" quasi" don't see each other. In our case the TX connection is not wired. The cable visible is only for 'the show'.

I encountered a problem that C2 could not be tuned effectively. My first thought was, is the trimmer defect? I replaced it by a new Hescho trimmer, though, there was no tuning whatsoever possible. But why? Then I replaced it by a Philips 'toltrimmer', still no resonance. The only means possible was to use the original trimmer again.

In the meantime I considered all problems possible, and decided to adapt a full wave length coaxial cable as to eliminate mismatch eventually. The existing cable was too short for it. Even with a calculated velocity factor of 0.66, I need 1.596 m. The only available cable having a blue colour is of Russian origin, also of a too low diameter. This may, nevertheless, solve the actual problem. 

 

 

The upper coil is for transmitting and the lower one for reception

It was also investigated how the metal rod is being fixed together with Bakelite mounting plate.

 

 

The construction is a bit curious

It is found to my surprise, that the antenna radiator is not solid though is to some extend flexible (bendable). I still do not understand how it internally works. It may be a heavy loaded spring, but when this is bended its inductance should change, or is it internally bridged by a wire? I don't want to destroy the plastic like cover. Whether Ebbe Pedersen formally has covered it with a thermo shrinking material I don't know.

 

 

 Before tuning the AAG25a I decided to investigate whether the HF modulator output can be modified

The solution is, matching the cable impedance just where the HF signal enters the oscilloscope. The signal above is now seemingly good; on the CRT screen reception is  good (please consider also the previous HF modulator signal output)

 

 

On the CRT screen reception is seemingly good (measured at test pin 9 of FuG25a

My guess, the full wave interconnecting coaxial cable improved reception considerably. Maybe also cleaning contacts etc. maybe soldering some contacts might have been also helpful.

 

 

At '5 before the hour' we see the time base pulse. That we see it is not because it is noticing its signal pulse before the recognition switch (nal 1 & nal 2), which one would expect, but it is caused by reception of the transmitted pulses. When recognition is set in neutral only the Nachtfee 'order' signal is visible (although, the time-base-reference is still connected onto the Z-modulator scope input)

The signal dot (blip) about 38 minutes passed the hour is the actual Nachtfee 'order' data pulse. The impression is: that it is principally possible to handle the Nachtfee signals in the schematic above, but pulses are still to small to be handled on the Nachtfee adjustment CRT screen (HRP2/100/1,5 (A)) The long-term drift of the Nachtfee internal time-base is causing headaches! It does not matter much whether I operate at Q5 (500 Hz) or at channel Q6 (502 Hz). It is quite annoying having to wait each time again for more than two hours before an equilibrium is reached, after the 220 V power had been switched off.

   However, Q6 allows the operation of dual signals. Like the EGON pulses at 500 Hz as well as the Nachtfee 'order' data at 502 Hz.

 

Please regard the screenshot below of a simulated multi signal CRT display

 

 

It is still not clear to me why we see two returning signals time-base-reference-pulses. To my current understanding, the left-hand pulse is the appropriate one

 

 

On the same day: 11 September 2012

 

I continued with section 5

 

After the implementation of two Schottky diodes inside the HF pulse modulator I have adjusted the HF signals appropriately (output levels of the two pulse generators TTi + PG508). The small pulse burst constitute the Nachtfee 'order' data signal. The broader, more fuzzy ones, constitute the EGON signal. That this pulse is seemingly broader is caused by the fact: that the scope is being triggered onto  channel Q6 of 502 Hz; whereas the EGON signal is having a 500 Hz PRF. Logically the EGON pulse is running from right to the left hand side. The exposure time my camera is such that the pulse is travelling in the meantime. With digital cameras one does not exactly know its internal handling interval

 

The second screenshot showing that the 'Nachtfee 'order' or command pulse is still being triggered upon and the EGON pulse has moved to the left

 

Above we are watching the same situation, though now viewing at the FuG25a detector output, measured at pin 9 of the central test connector. Used as video signal output 

 

This time the EGON pulse has moved a bit. The HP scope has likely triggered onto the Nachtfee 'order' pulse and the EGON signal is moving like is described in the original Felkin report

(Bladwijzer179)

The previous screen shots clearly obey to this description

 

 

Shown is what we see on the simulated aircraft display when we display several signals at once. Such as, about, North the Nachtfee data signal, the high lighted about, say, 190 to 240 degree of the painted circle is the spinning EGON pulse. Which rotates twice a second slower in this case. EGON has a PRF of 500 Hz whereas the Nachtfee data is having 502 Hz. That the EGON paints such a broad arc is due to the exposure time of my camera

 

The 'phase' against the simulated aircraft time base reference is adjusted on the dual beam HRP2/100/1,5 (A) correctly

However, the always existing phase drift of our Nachtfee console versus the Philips PM 5193 synthesiser is time and again annoying. As the less versatile PM 5190 is responding equally, the only cause is the Nachtfee quart system 

 

I have made comparison measurements of sending the time base signal via BG25a (recognition keys nal 1 or nal 2) as well as (later) via the old way, feeding the first order differentiated time base reference onto g1 of Rö 8 inside the FuG 25a IFF transponder. The latter is providing a much better reference signal to be adjusted upon.

It may be worth creating a pulse sequence divider. Please consider also my Personal Notebook, which reflects technically nearly all details and considerations; straight from the start of this magnificent survey in November 2011

 

 

On 22 September 2012

 

After a break I continued my work on the Nachtfee project, installing the hypothetical system at a more definitive setting.

 

My first concern was to modify the HF-pulse-modulator fitting to cope with a dual signal system. Where Nachtfee data, as well as simulated Freya-EGON signal, is being mixed together, at a frequency of 124 MHz.

 

Although, nothing seemingly is changed, it doubtless has

On the left-hand-table leg we see the modified HF modulator, where an additional BNC connector is added; implementing in the system a second signal component, originating from the (simulated) Freya-EGON system. The 500.0 Hz signal indicated at the upper synthesiser (PM5190). Its sine-wave is then fed onto the newly obtained Tektronix pulse generator PG508. Its signal output is then gating the EGON (HF) signal component. The centre BNC is connected onto the TTi pulse generator which is handling the Nachtfee signal.

 

E = EGON signal (500 Hz); N = Nachtfee 'order' or command data pulses; the right-hand side arrow is originating from the R&S SMS signal generator (124 MHz); the left-hand one represents the pulsed HF (going out of the Al box)

 

This signal is measured at the HF output. The broader fuzzy pulses originate from the camera exposure time. Please bear in mind, that Nachtfee runs now at 506,xx Hz and that EGON is running at a PRF of 500 Hz. This means that Nachtfee or EGON is running a few times faster or slower per second. Our oscilloscope is triggered onto the Nachtfee data signal. Thus what is fuzzy must, consequently, be the EGON signal. Would I have triggered upon the EGON signal, the Nachtfee pulses would become fuzzy

Each quartz step generate two times per second. Hence, the EGON signal rotates this time 6 times per second slower (operating Q8)

 

We are looking at the Nachtfee data blip at, say, 7 minutes to half the hour (@  the simulated aircraft display). The dotted pulses constitute the 6 times per second slower rotation of the EGON signal (506,xx versus 500 Hz). The highlighted dashed originate from my digital camera, which exposure time is to be count with in parts of 1 second, whereas the EGON signal passed virtually 6 times.

During this test series, I disconnected the feedback of the simulated aircraft time-base-signal. This is clearly visible, as transmission and also retransmission of the Nachtfee, but also the EGON pulses towards the simulated ground system, is causing a phantom signal. I my current system understanding originating from the fact, that the FuG25a receiver is picking up some portion of the transmitted energy again. Whether this is a fault inside our FuG25a apparatus stays open, as we do not possess a second one. Hence, this phenomenon is to be count with and it does not influence the functioning of the principles dealt with.    

 

It is evident that we should obtain a video camera for recording the phenomena.

 

FuG25a RX signal output measured at test-pin 9 (at the FuG25a front panel). Again, the data seemingly is more complicated than it actually was, owing to the camera exposure time

Please notice that we are looking at both the EGON as well as the Nachtfee data signals, changing about 500 times per second, whereas the camera exposure time was about 1/3 s. 

 

We are looking at a series of three screen shots. All taken within successive seconds. Showing the tremendous problems faced as long as the two time-base systems not having reached their mutual quasi equilibrium

Thus viewing the (simulated) returning aircraft time-base reference

 

This time the simulated aircraft time base is about synchronous to the one in the Nachtfee main frame (console)

 

The third screen shot only a few seconds later shows that both timing systems are totally out of phase

 

We are viewing the control screens where on the right-hand screen (LB2) the Nachtfee order signal is being equally handled as is the Nachtfee system. Albeit, that in this case full coherence exists, whereas the EGON pulse also fed onto this screen is due to its rotation difference not well visible

On the dual trace CRT HRP2/100/1,5(A) we notice the correct signal phase of the Nachtfee system. It has to be, nevertheless, noticed: that correct adjustment can only be virtually obtained by setting the "Range Off-set" control correctly (the illuminated small vertical scale window left from the 'order' compass) . Its proper setting is valid when the upper and lower signal pulse (spike) staying in line. "Range off-set" is delaying (retarding or increasing) the Nachtfee screen time base in such a way that the Nachtfee 'order' pulse or blip is pointing at the same vector. In this case at North. When both is 'true' (valid) Nachtfee is being brought in line with the distance between both the Nachtfee console on the ground and the virtual aircraft system. Please keep in mind, that both trajectories towards and from the aircraft transponder is bridging equal distance.

We are thus now looking at the situation that Nachtfee is correctly adjusted upon on the operational parameter.

However, in this hypothetical case, the full stress or burden of keeping the aircraft time base in line to the Nachtfee console is laid on the aircraft crew. Whether this was practical stays, until now, an open question. Which is only to be answered when we have access to original 1944-1946 documents.

 

The British or US investigators must have had access to sources of information, which I could not yet trace

 

 

Please study this principle schematic carefully

Click on it as to open it in PDF

The range off-set goniometer is within the lower blue line (previously called by me 'number or degree scale' goniometer, before I grasped its real function). It is clear that this control only interacts with the CRT time base and not with the Nachtfee 'order' or command signal.

 

23 September 2012

However, from my current perception, it is not very likely that it was entirely done this way. Why?

Because the existing 'Phase' control (in the schematic called Phase goniometer) would be senseless; which would have been ridiculous; building-in especially a (Phase) control without a scale. When this would have been touched incidentally, quite likely by the way, the conveyed 'order vector' displayed in the aircraft would have moved (or jumped) towards an unknown display position (a single knob rotation causing 360° shift)*.  Proven is - that its existence does only make sense - when there exist an interaction between this latter control and the actual signal phase of the (simulated) aircraft time base (thus a sort of synchronism is kept albeit manually, whether from the ground solely or in the aircraft as well, I don't know). Please bear in mind, the blue lines in this principle diagram represent 'signal coherence', the red line not. Handling the 'Phase' control (front panel) does not change the to be controlled signals on both Nachtfee CRTs at all. It definitely does change the conveyed 'order' or command vector in the aircraft!  The optimal solution, in my perception, would have been when Nachtfee was provided an additional signal carrier, which could have controlled, in what ever way, the aircraft time base. This may have disrupted their system concepts, as the combination of EGON and Nachtfee using the regular FuG25a transponder would have been impossible, without modifying it too much.

* Please bear also in mind, that this is only true as long as we deal with two non coherent (time-base) signals, one inside Nachtfee the other one generated by the aircraft display system; which was and is a concept parameter.

 

On 14 October 2012

 

After a break for some weeks because my full attention was dedicated to the preparation of a joined presentation for the DEHS held in Shrivenham on 11 October 2012, time has come to continue my project "Things done". During my summer vacation I considered a range of projects that should be commenced in due course when back home again (Things to be done

 

Measuring the quartz loss parameter R1. Please notice Bladwijzer170

It explains how we can approach this task.

 

The above shown front panel section has to be removed first

 

 

On 16 October 2012

 

I continued with preparing the new quartz parameter measurements.

 

This is what is hidden behind the removed front panel shown above. Please notice that Q 8 is being activated

On the far left-hand side (vertically) are the first two frequency divider stages (1 : 5 + 1 : 3 ≡ 1 : 15)

 

Viewing the empty slot of channel Q 10

It is obvious that accessing the contacts in the rear is not easy, especially in respect to changing things quickly.

 

Viewing the slot connecting pins of the quartz channel module Q 10

 

Measuring its vertical size (12 cm)

 

Measuring its horizontal width (< 4 cm)

 

As to get a brief notion how parameters behave, I started an experimental setup

 

However, I encountered some problems which I still not have solved

My aim was, first simulating the  π like network configuration, by which means I would like to get an output signal (point B), which proved yet to be impossible.

 

A second downside is, that the PM5193 generator allows apparently above 10 kHz only Δ steps of 0.001 Hz, whereas below 10,000 Hz we can measure with a Δ resolution of 0.0001 Hz. Running thousand steps per Hz up or down is quite annoying as well as stressful; because I first ran through it step by step, pressing >> 1000 times the Δ up and down push-buttons

 

Although, having thought that our millivolt meter was sensitive enough, it proved that it likely is not. For it I used channel B of our scope (sensitivity 5 mV/cm) , which for practical reasons have been set-up vertically, as to have better vision on both the scope screen handling simultaneously the Δ step buttons up or down.

Result: negative; though why? I know the recent test setup is quite clumsy, but we have to operate at 15 kHz only. We should get some sign of a signal transfer which did not yet occurre. 

What may have gone wrong? Is it the too fast frequency (Δ) steps, or is it the resolution of the PM5193 frequency synthesiser? In this respect would the application of its IEEE BUS being an option? But I do not possess an interface which is communicating with the usual USB BUS of my laptop. More importantly, I lack the experience for linking and setting it up, as well as writing the program for it using a Windows platform. Leaving out that these may be nowadays rather expensive devices.

 

Open queries:

First:    Are the 0.001 Hz steps too large for our purpose and should we at least doing it in 0,0001 Hz steps?

Second:    Would an analogue generator doing a better job? Would the implementation of a more sensitive measuring device like the old R&S Selektives Microvoltmeter doing a better job - if so - why? (From memory we must possess one, though, I remember that these receivers uses mercury switches, which some decades ago already tended to fail)

Third:    Or should I access it differently?

Some may comment, using a Network analyser!

Though, we do not have one running at about 15 kHz (at least ours R&S tracking generator starts at 100 kHz upwards). When having onboard a programmable synthesiser capable of handling 10-9  steps (Δ f'/f0  → 0.0001 / 15000)! I hardly doubt that these apparatus can practically cope with these kinds of resolution. On the other hand, were my first brief trials commenced incorrectly?

I believe that the to be made slot-interface adapter should be prepared universally, as to cope with future approaches.

 

Time for new and better considerations

It has to be said though, that often a second approach, a few days later, might result in a positive outcome.  What I have expressed today, is only my first very brief experience, and definitely not the final result of this new experiment. Those acquainted with experiments will recognise what I mean.

Late Mr. Berreclouw, a Dutch measuring apparatus builder, always pointed: when a matter is simply to solve it have been accomplished already a long time ago. He definitely got it right.

 

 

 

On 17/18/19 August 2012

 

I approached the task measuring the quartz parameter R1 (and later its Q-factor) for the second time, though, now being better equipped.

 

The new test setup

Please click on it as to open it in PDF

I wondered why my first approach was not providing any sign of response. From previous experience I know that finding a quartz resonance frequency, it is helpful using first an analogue generator; in this case our R/C signal generator TG10. As to improve the system sensitivity I have additionally incorporated the 1950s R&S USHV, which is a selective µV meter. I favoured using a 5 kHz bandwidth, which makes receiver tuning less critical.

First I swept through the expected spectrum rather slowly as to watch for any sign of level change. This occurred at a certain frequency, but measuring parallel to the setup its very accurate frequency was not possible, for the main reason that I have to keep the driving level as low as possible. For this I favoured painting a Lissajous figure on the Tektronix 2336 scope screen (incorrectly pointed as being an HP scope). The PM5193 synthesiser is now adjusted by means of the Δ (0.001 Hz) steps, until we reach the below situation.

 

Equality is existing, although its actual phase difference is not exactly provided

The next step is: disconnecting the line of the TG10 output so that only the synthesiser PM5193 is feeding the Pi-like network. Fine tuning (Δ steps) showed about the max, signal indicated on the output meter of the USHV receiver.

 

 

We reached the max. signal output of the Pi-network at 15.187324 kHz, measuring at an output level of 0.03 Vrms

The reason why both the Dana counter and the PM5193 are not showing equal frequency, is that the analogue TG10 generator did not allow tuning within resolutions of, say, 0.01 Hz. When I reached a Pi-network output, the counter input was disconnected and the BNC cable was now connected onto the PM5193 signal output instead and then adjusted by means of the Δ up or down steps (0.001 Hz) .

 

The USVH signal output is visible on the output meter

Apparently the scale calibration is not correct, but this does not matter for our measurements, as the receiver is adjusted maximally for the applied frequency. Easily checked when the signal input is disconnected the meter level pointer drops to noise level.

 

My first plan was to make a nice adapter so that the quartz module under test can be accessed fully out-board. But it may mechanically loading the quite fragile Pertinax strips a bit too much. I chose using short wires, which apparently does the job well

 

Why did it work out yesterday and not on Monday? The reason is: that I expected that the fs should be ≈ 506,2 Hz x · 30 = 15.186x kHz and not being fs 15.187297 kHz. Additionally, the implementation of the R&S USVH µV meter increased also the sensitivity of my measurement setup! Please bear in mind from previous experiments, that Quartz Q 8 operated in combination with its attached module at a lower frequency than that is measured at fs in our test Pi-network setup (not yet using the thermostatic oven).  

 

The basic schematic of the Nachtfee quartz oscillator modules

The additional 100 pF capacitor is only built in some of the modules. Also the 2 kΩ resistor between the potentiometer and the 200 pF capacitor is in some of the oscillator modules being left-out, the circuit gap is bridged by a wire.

However, why does there exist such an unexpected frequency increase (fs versus what have been measured during previous Nachtfee experiments)? The only reason I can imagine is the fact the the transformer incorporated in the circuit behaves as an additional inductance in series to the operated quartz crystal. The implementation of the 200 pF series capacitor may well be regarded in this respect. The detuning is not much, but I did not count with this (static) aspect! This also may explain why the warming-up drift, previously measured, has an additional factor caused by the changing transformer parameters due to its, whatever, temperature changing. Such as Nachtfee's internal temperature rising, as well as the anode current passing through the feedback windings; labelled '1' and '5' in the above principle schematic (additional Fe core loss?). We, nevertheless, don't know yet what the actual thermostat-temperature (stabilising at 60° C) is 'doing'. Measuring the parameter R1 versus its response onto the oven temperature is also a good opportunity getting information about the quartz cut (and temperature turning (nucleus) point). We do not actually know how the quartz vibrator is mounted inside its case. Please consider Bladwijzer51 for viewing how the quartz housing look like. Though, what not can be answered is what kind of electrodes are used. I know from my earlier commitment on quartz-vibrators, that sometimes capacitive electrode were used, however, in the 1940 often a kind of gold deposited electrodes have been 'en vogue' (high quality products), like was used in: Luminous Quartz. The latter Luminous quartz may originate from 1920s techniques. We have two aspects which we likely never can answer with 100% certainty - and this is the quartz cut entirely X-plane or is there a small rotation of a few degrees (say, 5°)? The second open query remaining, is how the eventual long stretched electrodes have been connected electrically, especially in respect to the square size of its housing. Another aspect, of equal importance, how do they interact to the phenomenon of stopping oscillation shortly after the quartz crystal is apparently overloaded (30 - 60 seconds, some responding instantly), first indicated by reducing output and rising signal distortion; secondly by its memory effect of restarting before the quartz has recovered from overloading. It may take sometimes quite some time, before, though still fragile, restarting is taking place; we may think of 60 seconds or even more. Or, is it owing to the way the quartz vibrator is mounted inside its housing? I can imagine, that the quartz is mounted within a kind of frame first and that this arrangement finally is carefully slid inside the quite small and long-stretched rectangular tube. This would imply, that the quartz vibrator is having a quite small cross-section.

It is now about 70 years ago that these special quartz crystals had been designed and produced. These definitely were not 'off the shelf' products, but likely a 'customer design'. The way the quartz is mounted inside the thermostatic-oven is preventing us from simply taking one out and X-raying it. I would not wonder, when their mounting screw-nuts are very difficult accessible. Hence, I better keep the situation unchanged.

I even don't know whether its manufacturer Q/K still exist. Modern business practice is no longer allowing access to old (obsolete) company archives. The Second World War is also a hampering aspect. Although, in the 1950, and sometimes 1960s, German companies could be often rather cooperative. Most firms may have destroyed (worthless) archives or having dumped it somewhere; like was done with the AEG-Telefunken archives (now accessible in the Deutsches Technikmuseum Berlin, what survived the past). On the other hand, some is (partially) lost owing to wartime destruction.

 

 

On 22/23 October 2012

Succession 10

(Bladwijzer183)

I started with commencing a new series of quartz measurements. A point of consideration is, should we dedicate for it a new additional webpage?

Considering that I have started with it on this current page rather recently, it may be wise to continue on it first.

 

As to bear in mind first what a Q-factor is about

Q = fc / (f2 - f1)

In this survey we use the expression fs instead of  fc (fs is standing for series resonance frequency)

(measuring first at room temperature)

Please consider all the time, that we count with rather minor frequency deviations in 0.001 Hz versus a coarse dB scale. It is always arbitrary what the actual scale/frequency relation is. Accurate figures should therefore be digested with a matter of carefulness. 

 

 

The Pi-network principle

Ra and Rb had been increased both to 1 kΩ first. The substitute of R1 was first chosen too low (see text below)

 

fs = 15.187359 kHz

f2 (- 3dB) = 15.188106 kHz

f1 (- 3dB) = 15.186696 kHz

f2 - f1 = 0.00141 kHz

Q = fs / (f2 - f1) = 15.187359 / 0.00141 ≈ 10771 This figure may sound high, but it definitely is not! I also determined the value of R1 which came like a shock: R1 ≈ 256 kΩ ! Have I made a measuring mistake, or what goes wrong? Q is a dimensionless figure, as Hz/Hz is having no dimension!

On 15.15  hour:  I switched-on the thermostatic-oven

15.28    fs ≈ 15.186657 kHz              All figures are estimations only

15,32    fs ≈ 15.186024    ↓                 Apparently: the quartz Q-factor is increasing!

15.36    fs ≈ 15.185243                       The USVH dB-meter pointer increases slowly some dBs

15.38    fs ≈ 15.184566

15.50    fs ≈ 15.183854

15.56    fs ≈ 15.183147

16.01    fs ≈ 15.182654

16.07    fs ≈ 15.182169

16.10 the thermostatic oven is observed to switch on and off

16.12    fs ≈ 15.181791

16.15    fs ≈ 15.181636

16.18    fs ≈ 15.181453

16.25    fs ≈ 15.181316

16.35    fs ≈ 15.181207

16.38    fs ≈ 15.181201                         About quasi equilibrium  (60° C), though never reached

The apparent observation is - that the pi-network signal output increased several dBs

Measuring its Q-factor

fs ≈ 15.181201 kHz

f2 ≈ 15.181708

f1 ≈ 15.180661

Q ≈ fs /(f2 - f1) ≈ 14500 Say, about 25 - 30% higher value

R1 ≈  227 kΩ 

 

Next query

As to facilitate lower ohmic circuit parameters, I would like to measure what the influence of the pi-network impedances versus quartz loading is.

 

Ra and Rb are both reduced to 500 Ω and Rd not yet implemented

What is the implication of the measured quartz parameters R1 and Q?

 

f2 ≈ 15.181696 kHz

f1 ≈ 15.180745 kHz

f2 - f1 = 0.000951 kHz  → Q ≈ 15963 this might, for the time being, indicate that lowering the network impedances is having a positive effect on the loading of the quartz crystal. 

 

Ra and Rb both reduced to 50 Ω (Rd still not yet implemented, thus bridged)

 

fs ≈ 15.18110 kHz

f2 ≈ 15.181742 kHz

f1 ≈ 15.180721 kHz

f2 - f1 = 0.001021 → Q ≈ 14868 thus lower than with using 500 Ω Why? I suppose that it concerns a culmination of measuring errors. Although, the Q is not too much different

 

Ra and Rb still kept at 50 Ω and Rd both being 56 Ω

 

fs ≈ 15.181183 kHz

f2 ≈ 15.181895 kHz

f1 ≈ 15.180801 kHz

f2 - f1 = 0.001094     → Q ≈ 13876

One thing can be observed, and that it that quartz Q8 in combination with its oscillator module is more stable than when it is measured statically within a pi-network configuration.

My guess - the series capacitor (Hescho 200 pF dark-green Tc colour) is together with the parameters of the transformer providing a rather more stable circuit than when the device is measured solely (statically).

What is causing the extremely high substitute value of R1 (227-256 kΩ)? I believe that the quartz mounting inside its can might be a reason (parameter); maybe not in every respect.

Normally, when considering low frequency quartz crystals, their Q is at least in the regions of say 100,000 and not between 11,000 and 15,000

 

My next move should be: confirming whether another Q-channel is providing comparable figures. It may also making sense to investigate whether we can measure any sign of a Q or resonance of the three striking Q-channels (Q7 - Q9 and Q10).

Would it be possible to facilitate a phase bridge with enough sensitivity? I believe that this is difficult, as we have to measure at 0.36° accurately! This was also demonstrated during comparing both the analogue TG10 signal with the synthesiser PM5193 signal when I increased its frequency in 0.001 Hz steps up or down; where the painted Lissajous figure hardly changed visually. Sadly, our R&S network analyser, like the ZPV, can only start from 100 kHz onwards, due to its tracking generator. The HP Vector Voltmeter even from 1 MHz onwards.  However, viewing the obtained results my aim is getting an idea in what range the quartz parameters are laying.

Maybe, was its 'low Q-factor' a design parameter, as to prevent mechanical destruction of the quartz bars. Generally speaking: the Q-factor is also an indication of its ability of keeping its motion on when excitation stops as well as its ability of flee-wheeling its vibration up to a higher level than is provided owing to its Q.

A quartz crystal is a piezo-electric vibrator, where an electrical force is causing a mechanical deformation (type of vibration or mode) , in what ever plane of motion, and a mechanical movement is causing an electrical force. Never underestimate the value of deformation, it may even concern mm's when its Q-factor and driving level is high enough. That is why quartz circuit designers are taking care of the overall quartz loading - electrical and mechanically, especially in respect to circuit reliability.      

       Please, consider also my technical notebook reflecting all the Nachtfee experiments

 

 

 

On 24/25 October 2012

11

Improving the method of measuring series resonance of our Nachtfee quartz crystals

As to increase sensitivity of the measure arrangement I have adapted the Pi-network into a medium impedance system, where both Ra and Rb are 500 ohms. The output level available at output point B would be too low for being handled by our oscilloscope. Which is providing 5 mV/cm maximally.

 

I continued the experiments about measuring the zero phase relation between point A (input of the pi-network) and the output at point B (of the pi-network). The quartz actually is in between the points A and B. You may remember, that theoretically just at serial resonance of a quartz there exists only R1 which constitutes a pure resistance, without a complex component. Hence, it acts as a: 'zero order network'. Consequently there does not exist a phase shift between both pi-network channels A and B.

However, measuring accurately this zero degree point, by means of the selective µV meter (USVH) is providing too much errors. 

 

Why not trying it by means of a Lissajous figure?

This photo shows just when there does not exist a phase difference between pi-network points A and B (0°)

The signal at scope channel B is actually originating from the input of the pi-network (A) and scope channel A is being fed from the pi-network output (B). It proved during the experimental setup that when I change the input cables, that one of the channels is showing spurious signals, which isn't the case when both cables are connected as explained above.

The driving level from the pi-network output (B) is forcing me to operate scope channel at its max. sensitivity level of 5 mV/cm. Network output can only increase when the generator level is increased as well. 

Hampering is, however, as we have just noticed, the far too high value of R1 being between 220 and 260 kΩ. Consequently creating a huge signal drop between the points A and B, being about a factor 100. As to prevent overloading of the DUT (quartz) I have to keep the driving level low as possible.

As to improve this downside I used the next day (25 October) our HP461 broadband amplifier (1 kHz - 150 MHz). It doesn't work well, likely owing to its too wideband amplification. I therefore opt for building myself one, having a bandwidth between, say, 1 - 30 kHz. The only thing that should be noticed is that it should not changing phase very much.   

 

We are viewing the painted Lissajous where both points A and B are just a bit out off phase. Not much, though, definitely not in a zero phase relation

 

When we we are too far off fs the get this Lissajous relation

From experience, we have to take hundred of up or down Δ steps of 0.001 Hz.

Is the tilted axis able to show a horizontal line (parallel to the X-plane)? No! because this only is true as long as the phase pointer can rotate freely and both scope channels are fed with equal signal amplitude. Another confusing point is, that from the axis angle of the ellipsoid, it is not possible to derive whether we are above or below the series quartz resonance. The only reason I can give, is that the ellipsoid turns in its phase sign when just out off series resonance, be it above of below fs.

Measuring the actual Q-factor of our channel quartz is by this means impossible, as we should be able to determine + and - 45° phase shift exactly. We have still to find a way around it. hampering is, that there exists a 1 : 100 signal difference. In the IEC 444 configurations, they implemented an additional attenuation into the reference or A channel. So that the signal levels at both points A and B are about equal. For us not yet very helpful. We must find another way around it! 

 

Please also consider, the new YouTube testfilm strips version 2  

However, the latest results measuring quasi equilibrium about Fs 15.181043 kHz is coming more into agreement to the previously measured quartz frequency after division by a factor of 30. It should become: 506.034733 Hz whereas I measured on 12 September 2012 506.0113. Measured against the aircraft time base, which signal source is the same as is used in this experiment. Please remember that the difference is only 0.000023433 kHz or 0.023433 Hz! Just over two hundreds of a Hertz. Later on the just before closure of the session I measured a fs at 15.181025 kHz divided by 30 providing 506.043 Hz Hence, previously measured (on 12/9) an oscillator signal of 506.0113 Hz the difference is becoming 0.0317 Hz. The difference may well being caused by the influence of the oscillator circuit loading.

 

It has also been found, that the three failing quartz Q7 - Q9 and Q10 are really defect. I could measure a tiny oscillation in the X-Y configuration which had a particular frequency for each of them; though that was all. Only by very closely looking and careful frequency tuning.

 

 

On 27/28 October 2012

12

 

As we have seen, it is hardly visible to distinguish zero degree (0°) signal phase by means of painting a X-Y Lissajous on a scope screen. I therefore opted for a different way, and this was measuring the Pi-network output by means of digital voltmeter as well. We luckily possess a Solartron/Schlumberger 7150 plus digital multimeter. Which has a resolution of up to a µV at its last digit. When we neglect this latter digit owing to its uncertainty, we still can achieve reading within 10 µV steps.

 

Reading off: 0.001861 V (the last digit representing 1 µV resolution)

My experience so far with measuring the zero degree of the Lissajous figure painted on our crt screen with parallel onto it attached the digital µV meter is quite satisfying. This meter is operating in this range in the so-called 'compensated mode'.

It allows measuring accurately within 0.002 Hz steps, maybe even Δ 0.001 Hz

Quite an achievement.

It is also found, that the read-off from the digital meter is about equal to that of painted on the scope screen (during the X-Y measurements). However, more accurate, as the zero-degrees in the X-Y mode has a broader spectrum of uncertainty (dead-zone).

There are analogue ICs around which might gain this accuracy, but to my understanding these need extra circuitry, as they divide 360° into two times 180°, without providing the direction of rotation.

I also checked whether this more accurate determination of fs is providing a different R1; which isn't the case.

This way of measuring may also changing the way we can calculate Q. No longer reading it off an analogue meter scale, though, now from the digital µV scale. Though, now simply multiplying the (stable) scale reading by the factor 0.707 and its according frequency (f2 - f1) 'Voi la'

 

My next step should be measuring, say, two our of the 7 quartz channels that can be operated (Q7, Q9 and Q10 are clearly defect). Our aim is not measuring them all, but we would like to know what these kind of piezo-electric vibrators are about.

 

 

On 30 October 2012

13

 

After having concluded the measurements on quartz channel Q8, time has come to turn my attention towards the remaining quartz crystals.

 

Measuring still with the thermostatic oven being switched off

Q1    does not respond at all

Q2    series resonance fs = 14.825684 kHz    Watching the increased output level at point B of the Pi-network, I expect that the according quartz-loss is less than the one of Q6 and Q8. This is true, as I measured R1 ≈ 115 kΩ. Still far too high in my perception, but it is the best one of our Nachtfee apparatus. And, it is active enough to oscillate.

Thermostatic-oven being switched on 12.50 hour. It will prove, that it takes one hour before it begins with switching off and on (60° C). This will, however, not say that the Nachtfee quartz crystals will stop drifting in frequency downwards; which will at least lasting for half an hour.

Let us get an understanding of its behaviour and viewing what time versus frequency drift brings:

Cold (≈ 20° C) fs = 14.825708/9  kHz

12.50    Oven being switched on

12.58    fs = 14.825238  kHz

13.08    fs = 14.824199     ↓

13.17    fs = 14.823063

13.22    fs = 14.822448

13.37    fs = 14.821048

13.43    fs = 14.820529

13.46    fs = 14.820222

Oven switches now off and on

13.52    fs = 14.819784

13.54    fs = 14.819572

13.55    fs = 14.819572

14.00    fs = 14.819450

14.04    fs = 14.819405

It becomes clear, that in no way the accuracy of the last digit (10-6 V)  is measurable by means of the painted X-Y plot (Lissajous figure). Only by means of the 6 digits after the dot is allowing us to determine the exact frequency. It is also clear, that the lower the Q of the quartz crystal is the less accurate such measurement will become. Because, the top of the curve is quasi flattening. It is also found, that a workable method is to tune the synthesiser just below the actual quartz resonance frequency and watching at the same time the reading off the digital meter (last digit). I get the strong impression that when it drifts through the quartz spectrum steadily that the Pi-network output is higher than can be obtained with synthesiser Δ - 0.001 Hz steps. This may be owing to the fact that the optimal resonance is in between these steps. We should measure in Δ 0.0001 Hz steps, but the Philips PM 5193 is allowing at about 15 kHz only Δ 0.001 Hz steps. However, below 10000 Hz step resolution can be increased ten fold.

14.06    fs = 14.819365

14.09    fs = 14.819334

14.11    fs = 14.819319

14.15    fs = 14.819298            R1 = 132 kΩ

Lowering the driving level 50%, R1 = 132 kΩ

In contrast to what we have measured at Q8 the equivalent quartz loss resistance (in series mode) R1 has increased a bit, owing to the influence of the quartz-oven-temperature.

 

Approaching Q3: brief measurements show that its activity is quite low and I skipped going into details.

Q4    fs = 14.938995     R1 = 225 kΩ

Finally a list of quartz stages including their accompanied oscillator modules

Q1    failing

Q2    operates    Being the best of all

Q3    operates

Q4    operates

Q5    operates   

Q6    operates

Q7    failing

Q8    operates

Q9    failing

Q10  failing

 

I would like to shown you a general graph expressing the interaction of 'quartz temperature' versus its detuning Δf / f

 

Generally speaking a quartz crystal shows about neutral at say 27° C. The various lines (curves) representing their particular angle of cutting. It may differ for some types, though, generally it is valid for most quartz crystals. (Source: Das große Quartzkochbuch)

This graphic may differ a bit for the various quartz cut types, such as: AT - BT - CT - GT - NT - VT .... and X-mode cuts. Each curve has to be understood being for a single cut and then in respect to their tiny angle variations.

The considered Nachtfee quartz crystals are behaving, more or less, according these curves. Although, my measurements are normally starting from room temperature, say, 20° C; and already from this temperature is frequency (fs) only drifting downwards.

 

Please consider also my notebook, which shows from the beginning of the Nachtfee survey in November 2011 up to yesterday all that had been done.

 

 

On 1 November 2012

14/15 added later that day

 

Reflection on the behaviour of the Nachtfee quartz devices

 

Several quartz and their parameters have been tested, the results are not solving all of the fundamental queries.

Why do they have such extremely high equivalent loss resistances; whereas normal quartz may having a R1 between, say, 20 Ω to maximally 1 kΩ, whilst we encountered values between 260 kΩ and 115 kΩ. Also their Q-factors were lower than one may expect for low frequency quartz devices. Q's between roughly 10,000 and ≈ 20,000. Quite normal values for short wave crystals, though ... It is also found, that its Tc is not following the regular pattern entirely.

It is also encountered, that 4 out of 10 quartz crystals show permanent failures. I checked Q7 - Q9 and Q10 and there were clear, though very very tiny, signs of vibrations which manifested themselves by a kind of vibration of the painted X-Y ellipsoid line. What may causing this? My guess, their mounting is defect (or bounding?). Be it because these had been driven previously, thus during wartime, or just before Germany surrendered, with too high driving level. We have discussed, and yesterday I encountered it again, the quartz stage controls at the front can easily been set in a way that the quartz is becoming overloaded and will strike within a minute, some even within a second. Or, was it caused by mechanical shocks due to storage or transport? Maybe both?

Another reason might have been, that the high loss value R1 in combination with a quite low Q-factor is preventing the piezo-electric vibrator from destroying itself, owing to uncontrolled vibration amplitudes during starting up. Especially these low frequency devices tend to cause rather large mechanical vibrations with dangerous downsides.

Or, is it caused by a form of deterioration of the mounting materials, like, the application of synthetic rubber? This latter superior material (known as Buna) is helping us a lot, as natural rubber is hardly standing several decades. Buna might, however, have lost its flexibility. Bakelite hardly deteriorate, thus this material is most unlikely causing problems; or it may have been victim to mechanical shocks. 

 

I don't like to open the thermostatic oven again, as the module has to be demounted entirely from the Nachtfee chassis 

In my perception, it is out of the question to take a quartz device out of the oven. It has to be X-rayed before we know more. As long as 6 quartz channels are still operational it should be kept in its original fashion. 

 

I strongly believe, that I should dedicate time to some technical matters, like improving the way the FuG25a output signal (at pin 9 of the test-connector) is to be fed onto the Z-channel of our HP oscilloscope.

 

Maybe also dedicating time to experiments in respect to dividing the PRF of the returning time-base-phase reference. Its PRF equals the Nachtfee data frequency, which actually also consist of pulses. It is, in my understanding and experience, not necessary to receive it on the (simulated) ground system say 500 times a second. Maybe 100 or 50 times a second will do as well. This will not necessarily mean - that during wartime days this was commenced this way. As long as we do not have access to wartime technical papers and/or reports, all experiments remain hypothetical.    

It is, nevertheless, a thrilling experience getting more and more understanding of the interactions of the various Nachtfee system parameters. Also of their limitations, as, for example, the extreme difficulties encountered, even with the help of today's technology, keeping Nachtfee in strict phase relation in respect to the free running aircraft time base. An equilibrium is never fully reached! Don't under estimate these implications! 

Please bear in mind: Nachtfee data is passed onto the aircraft by means of a single phase-shift of its PRF once. The next cycle (after 1/500 of a second) remains undistorted. How could one be kept informed what once had been a shift of its signal phase? The only means possible, is the existence of a second time-base reference running in full concert (synchronism) with (to) the time-base on the ground; because the aircraft time-base is considered not to have changed its actual signal phase since. This now is our bottleneck, we have to count with their both internal time-base-phase-drifts. Making it a fully reliable system we should having at least a frequency drift of < 10-7 on both sides of the system (ground and aircraft). Considering 1940 techniques a bridge too far.     One can also thinking of having two accurate clocks, where both clock-pointers should exactly pointing at the same time. Time difference is visible comparing both indicators.     That is why the Nachtfee designer has implemented two additional controls. One compensating the range off-set owing to the to be distance distance between Nachtfee on the ground (Freya-EGON-B) and the flying aircraft. This range-off-set-control is only controlling the deflection phase of the two controlling CRT screens of the ground Nachtfee console. This does only make sense, as long as a returning signal-phase from an aircraft has to be compensated for their mutual trajectory distance. A second control is available on the Nachtfee ground control front panel. In contrast to the 'range-off-set' control as well as the Nachtfee 'order' or command scale, the third phase control is lacking a scale. When it is manually controlled, on the Nachtfee screens virtually nothing happens. What it does is: it changes the signal phase originating from the quartz stages between 0° and 360°. However, again its operation will be measurable (visible) on the aircraft CRT display system. Though, why? The only possible solution is, that there apparently was a need for this facility. What the phase-control on the Nachtfee front panel does, is changing the signal phase send towards the aircraft CRT system. It delays or speedup the arriving signal information in the aircraft. Without knowing on the ground what its actual result on the aircraft CRT is, it would be worthless. It is thus inevitable that in some way or another information is conveyed towards the controlling station on the ground (principly there always is a returning signal and this is the EGON data signal). Forgotten, is also the fact that the range-off-set control scale on the Nachtfee front-panel is showing a range of 0 - 300 km only; however, 500 Hz has a λ 600 km (Bladwijzer39). Now we have to consider, that distance had to be bridged twice; once from the Freya-EGON-B towards the aircraft under control and the returning signal towards the two control-screens of the Nachtfee console (2 x 300 = 600). How?     There exist two ways of commencing it. A way is, injecting this (time-base-phase-information) at the same point as is the Nachtfee-data-signal being picked up, or modifying the FuG25a and finding another means. Both options have been successfully tested. Not modifying the set and injecting it at pin 9 of the existing test connector is possible. The returning signal to the simulated ground system will, however, be keyed or controlled by means of the FuG25a transponder morse-code-key (nal1 and nal2). Nevertheless, there is a contradiction - as we have already noticed that the Nachtfee 'order' or command signal is having the options: nal1 or nal2 (Regard Bladwijzer185). To my understanding, the implication might have been that neither one is being operated for a period of action. Hence, they would have lost phase-control between both systems (Nachtfee console and the aircraft system). In this case a modification would have been necessary.

As long as we do not have access do wartime papers, this all is hypothetical              

 

Nonetheless, the quartz devices connected onto the oscillator module slots are still accessible electrically quite easily, and further measurements possible; though, it is found that this is at present not opportune.

 

On 2/4 November 2012

16

 

Today (Friday 2nd) my first approach was experimenting whether it does make sense to amplify the Z-modulation signal individually?

 

The deflection time-base-phase-reference amplifier module has been introduced somewhere in March or April 2012

It was found that the Nachtfee 'order' or command pulse was not always clear and my first thought was that amplification might help to solve this downside. Which wasn't the case actually. What improved was the sharpness of the pulse (blip) but its intensity was not much better to distinguish.

I decided for the time being to go back to the previous situation.

 

With an exception this is the situation used for some time

Although, improvement is gained by changing the level fed onto the Z-modulation line. This brought a better visible pulse, but it was also stretching its pulse length, which is only acceptable to a small extend. real improvement brought changing the time-constant of the differentiating circuit by means of a adjustable potentiometer. The advantage is, that also most of the painted 'phantom' signal on the CRT screen are to a great extent vanished. Not in every respect, but mostly. Filming however, the results it appeared to me that what is presented on the LB2 control screen is not fully satisfying me; its certainly what call for special future experiments.

My opinion of today's experiments is, that it does make sense to add a third YouTube page onto our website (link further down this page). Especially dealing with the following aspects:

I have switched over from separately injecting the time-base-deflection phase at grid one (G1) from Rö8 to mixing the time-base phase reference with the incoming Nachtfee 'order' or command data pulse. This works but need some improvement. What might hamper today's result is the additional loading due to the differentiating circuit attached onto the point of injection of the time-base-reference signal.

Now obeying to what Hans Jucker has stretched: that they would not have added an additional external connection to the FuG25a IFF transponder. It indeed works although, the controlling screens are more difficult to interpret. The Nachtfee control screen (LB2) is showing:

1    returning EGON pulse, which, however, rotate fast against the returning stationary Nachtfee 'order' pulse, which, of course, is like the EGON signal returning to earth (Freya-EGON) (EGON's PRF is 500 Hz and Nachtfee uses, with the exception of Q5, Q-channels differing in steps up or down of n x 2 Hz. (-2, -4, -6 ... and +2, +4, +6..)

2    The Nachtfee 'order' data pulse being like the EGON signal transferred towards the simulated Freya-EGON ground system

3    Also phantom signal pulses originating from the internal feedback between the transmitter pulse of the FuG25a and received and retransmitted, at least twice by the transponder. However, this may be an unique fault only occurring within our system. This phantom signal is easily recognisable as it has a constant leg and its amplitude is also lower (weaker blip) 

Please follow my new experimental film series 3 of Testfilms (25 - 32)   

During filming the various CRT screens I encountered particularly on the LB2 control screen that it is necessary to improve the way the time-base-phase-reference is modulated onto the mixture of signals returning towards the simulated ground controlling station.

I remember from previous experiments that it was possible, albeit difficult, to distinguish between the returning Nachtfee and the simulated aircraft time-base-reference signal.

Under such simulation it would have been hardly possible to control the various pulse parameters during wartime days.

 

 

 

On 6/7/8 November 2012

17

 

I dedicated some time as to improving some aspects of short comings of our hypothetical and simulated Nachtfee system together with the simulated aircraft display system.

 

On Monday 5 November I have build a new experimental module, consisting of 3 identical pulse forming amplifier stages.

The main aim is to improve the shape of the simulated Nachtfee 'order' dot. The reason was, that additional differentiation is needed, but this is loading the common connection of 'test point 9' of the test-connector too much. Additional differentiation is taking place now at the output of the new pulse-amplifier.

It is also found, that the way the transistor stages are becoming more or less saturated is causing an additional transit time delay. We should not neglect this system parameter! 

 

The new universal 3 channels pulse-forming module, the centre one is having a dc coupled in- and output, which will be needed soon

 

Some difficulties were temporarily encountered

After due experiments one of the three pulse-forming amplifier stages was successfully used as to separate the common line connected coming from pin 9 of the common test connector of the FuG25a. This improved the shape and sharpness of the spot tremendously.

However, difficulties were encountered just after a small modification was carried out, which was successful in the first stage; all stages are electrically identical, albeit with 3 kinds of in- and out-coupling (using different values of coupling Cs). What previously had worked successfully stroke now totally. The only workable means was found in using the dc coupled (middle stage) of the new module. This works reliable.

My next planned experiment is to implement the third pulse amplifier in series of the dc amplifier, which is converting the time-base-phase-reference sine wave signal into a square wave.    

 

Additional differentiation will improve the sharpness of the final time-base-reference pulse

Time has come, after this experiment is successfully implemented into the hypothetical simulated aircraft system, that we should investigate whether it does make sense to lower the sequence of the TB pulses returning towards the simulated ground station.

 

Please bear always in mind, that every signal of this simulated system will be existing at test point pin 9. Thus the passing through signals EGON and Nachtfee data, which is from there fed onto the recognition keying system and thereafter returning via the TX towards the simulated ground system. There can be no doubt that this was also happening in the genuine wartime systems. At pin 9 the mixture of both signals is also fed onto the Exp. amplifier and being made visible on an aircraft display!    Owing to the fact that we do not have such devices, we are obliged to simulate it.    There can also be no doubt, that the local time-base in the genuine wartime aircraft was to have exactly the same frequency and signal phase as is having the Nachtfee ground system. So far - there is no doubt what so ever possible.     However, the only point of discussion can be whether the wartime Germans have brought-in another signal returning to their ground station. This should be, in my perception, the implementation of an additional time-base-phase-reference signal.   

 

Please click on it as to open it in PDF

Let us follow the two signal chains

Following the red line: the Nachtfee console is fit with a 'Phase' control (without scale) on the apparatus front panel, which is changing its overall signal phase, without a means that this setting can be controlled by the available Nachtfee control CRTs! It is only possible noticing what one is actually doing as one compares its result with a signal that is originating from the aircraft time-management-system. This time-base, call it a clock, is the only existing reference against a tuning of the 'Phase' control on the Nachtfee apparatus front panel. Please remember, the Nachtfee 'order' or command signal phase is derived from a single signal point (just where the red and blue lines meet together) and fed from thereon both into two different signal chains. The upper blue line section, originating from a common signal point, is feeding the Nachtfee 'order' signal phase shifter and then leaving the Nachtfee apparatus being its 'data' signal. The lower blue line section is feeding the CRT deflection stages; also having to pass a 'phase-shifter', which I call 'Range off-set' (in the schematic above called 'number or degree' scale). Whatever the common signal-phase before their mutual feeding point is having, the internal Nachtfee system loop will not being able to recognise it.     Nevertheless, the independent aircraft time-base, running as an independent clock, is virtually seeing the difference after being compared with the actual Nachtfee data-signal.    'Range off-set'  is also a very important system parameter, as it compensates for the distance between both the ground and airborne system. 'Range off-set' is to be adjusted by means of the returning Nachtfee 'order' signal that have passed through the aircraft IFF system (consider also Testfilm36).    Questionable remains the way and sequence of the returning additional aircraft time-base-reference signal.    Some of you may trust that a strobe-pulse (coincidence) will do. There is no doubt that this it does not! Because, as we have dealt with many times, the carrier send towards the real and simulated aircraft is consisting of two different kinds of signals. First, the guiding EGON signal having a PRF of 500 Hz, which is providing the necessary data, as, for example, distance between the airborne carrier as well as the Nachtfee data signal with its own, say when channel Q8 is being operated, having a PRF of 506 Hz. Consequently, uncontrolled strobe pulses would have been generated (please view Nachtfee testfilm 37).    Also not to be neglected is the fact of interfering signals, causing at least confusion. It is questionable what the effectiveness (loop sensitivity) of the wartime system may have had when the range off-set is between, say, 150 km and 250 km (theoretical maximum 300 km).        

Please consider also the new YouTube testfilm session 4, which is dedicated to the experiments just recently been carried-out

 

More or less synchronism between the Nachtfee time-base and the digital synthesiser was reached at 506.0278 Hz. Please notice that the last digit '8' is representing then thousandth of a Hz (0.0001 Hz steps)!

However, it took more than 3 hours heating up before this mutual stability was reached! Though, still it is sometimes necessary to step Δ 0.0001 Hz up or down (2x10-7 )! I strongly doubt that this would have been achievable with strongly changing environment, like in the 1940s wartime aircraft and the controlling Freya-EGON ground cabin. Leaving out what may have happened when mains power failed temporarily.

I also gained the impression, that operating, thus tuning the servo like phase shifting goniometers of Nachtfee, is an additional source of (phase) instability. The search-coil (rotor) is victim of the non homogeny of the distributed (induced) 3 phase magnetic fields, maybe amplified due to the i-homogene internal temperature distributions, interacting with the vector of the search coil or rotor.  

Please consider also my Notebook which is reflecting the entire Nachtfee survey project straight from its conception on 12 November 2011

 

 

On 13 November 2012

New thoughts

18

Please notice below also 18a/b

(Bladwijzer188)

I dedicated again time in getting my fingers behind the mystery as to how the Nachtfee system was operated.

 

We might have disclosed today some of its secrets

Please forgive me that I omit this time to mention that everything below is hypothetical again and again! 

 

Shown is the principle of Freya-EGON + Nachtfee control symmetry

Let us first resume what Nachtfee is about. The Freya-EGON station was extended with an aircraft controlling Nachtfee apparatus. Distance between the ground station (shown on the left-hand side) is dynamic as long as the aircraft is airborne; we call this the operational range. Data has to bridge the same distance (range) vice versa. On the other hand, the EGON/Nachtfee system is relying upon the FuG 25a aircraft IFF transponder. When signals being conveyed towards the airborne system these signals will also return to the station of origin. Hence, bridging equal distance. Let us neglect system delays, like in the transmitters and receivers and other stages, and guessing these are equal for both trajectories. The returning Nachtfee 'order' or command pulses returning at the Nachtfee LB2 control screen (feedback loop) should have an equal 'order' vector as when it left the ground system.

 

The blip due North on the LB2 CRT screen is the returning Nachtfee feedback pulse

You may remember that the Nachtfee console is equipped with a special 'Range off-set' control, which scale is calibrated roughly in km. We have just noticed that both the trajectory upwards and downwards is equal. It is thus valid to adjust the returning Nachtfee blip at the same 'order' vector on the LB2 control screen as it should be presented within the aircraft. The advantage is, that the Nachtfee system is able, without assistance of EGON, to adjust its own 'Range off-set'.    I have already considered that various kinds of system delays are being involved. System delays are delays of a system, and may be regarded being a system parameter.    OH, this means that when we have knowledge of this parameter it can be taken into account. And it works!

The blip pointing about just over 45° is the returning TB (time-base-reference-phase) from the simulated aircraft system, compensated for its overall delay parameter.*

What should be the alignment procedure?

First, adjust 'Range off-set' at due North. This stays also when Freya-Polwender mode is being operated!

(Bladwijzer190)

Proper 'Range off-set' adjustment is controlled on the dual trace CRT screen. The spikes just in the screen centre facing back-to-back is proving that 'Range off-set' versus the returning Nachtfee 'order' signal is adjusted correctly

Second, when the Nachtfee feedback reference is pointing due North, adjust by means of the 'Phase' control on the front-panel the a bit stronger TB pulse such that its vector becomes just over 45° (value disclosed after trials). I have tried it several times and every time it proved that the blip on the simulated aircraft CRT was exactly pointing due North as well.    Experiments were done with using the only in- output point 9 at the FuG 25a test connector. Thus, all signals passed through the recognition key(s) (nal 1 or nal 2).

Optionally, I have also modified once the injection point onto Rö8 the transmitter pre-stage; and also repeated the experiment via this means. The encountered time-delay is, of course, different and the returning order blip should be set at (regular) 188° instead. However, this system off-set is also providing proper adjustment of the 'Phase' control on the Nachtfee front panel.

My opinion so far is, that this method may well point into the way it may have been accomplished during wartime days.

In some respect using the existing pin 9 of the test-connector full-fills all you need. Maybe for them (during the war) as well.    With one not yet solved aspect, and that is the existence of the TB pulse on the CRT screen; which hardly can be omitted - as pin 9 is being used for both the incoming as well the outgoing signals. 

* In some respect confusing is the way the LB2 circular screen is divided. This originates from the fact that the Germans counted in a different angular system, based on the factor 16. Hence, every major division provides 360 / 16 = 22.5° wide sectors. For precision measurements 360° is divided into 6400°.

        

 

On 15/16/17 November 2012

18a/b/c

c causing slight adaption of the text

(Bladwijzer187)

I just have referred in a footnote to the way the German Flak organisation, and likely other organisations as well, calculated in a system based on the factor 16. Please notice the 'Rechenscheibe' below (calculation table).

 

This plexiglas (perspex) disc was, to my understanding, used for calculations related to the Flak service of the GAF. It may, nonetheless, have been used for navigational purposes instead?

I must admit that I do not understand fully where the various scale parameters are meant for. My guess, the thread is used as a pointer and is linking some parameters together. However, it is at least showing you how they divided 360 degrees into 6400°.

 

This day I continued with digesting the consequences of the just described procedures.

It has to be remembered, that we have to give the TB pulse a phase-off-set which compensates for most aspects of the Nachtfee system delay. Whatever this figure may constitute. It is, of course, possible to build-in an additional delay compensating circuitry. Though, this is and was not simple, as we have to deal with two signal types. First the EGON + Nachtfee system delay as well as the TB pulse delay. Both most likely having different values. How should delay compensation be commenced? In a way that both the Nachtfee feedback blip and the TB pulse are pointing due North at instant? Not very handsome, because this will likely confuse 'Range off-set' adjustment together with 'Phase' compensation, as you actually have no idea which pulse you have to adjust upon. All three passing through the recognition-keying-system; which causes that the Morse-key-sequence is interrupting the signals constantly (EGON + Nachtfee and TB). EGON however, is due to its different PRF not a Nachtfee parameter (leaving out Q5). This latter aspect is also preventing general signal delay, as EGON is used in combination with Freya-EGON as to deliver bearing and distance data.

As to prevent falling into a trap, this aspect has to be left yet unanswered.

Another question appearing in my mind, does the system respond equally when a different operational Q-channel is used? For it I took the most different channels Q8 and Q2. (due to defect quartz crystals no other choice)

The system ran already for quite a while and I first checked whether Q8 worked as it did yesterday. It does. Now Q2 was switched on and Q8 off. From experiments done on 29 October (referring to notebook page CXVIII) Q2 gave 14.819298 kHz We also know that this frequency is divided by 30, we should get Q2 to provide: 493.9766 Hz. Checking it first this time I measured instead: 493,9741 Hz. The difference may have been caused by the fact that I have changed the quartz-oscillator-loading slightly.    

Also is to be considered: the phenomenon of different saturation of the pulse-forming and amplifying stages is influencing phase shift a bit.

However, readjusting the TB reference in the simulated (hypothetical) aircraft system and investigated whether the value of delay compensation differed. It did not! This means that we may assume that in this respect we do not have to count with problems.

The only annoying aspect encountered, is that something seemingly goes sometimes wrong in the 'Phase' goniometer circuitry*. 'Phase control', nevertheless, worked be it differently. This aspect was already noticed before, but it occurred just where optimal alignment is achieved. This circuitry is rather difficult to approach and I have to live with it for a while.    * Sentence slightly corrected owing to a mistake.   

(Bladwijzer189)

The today's experiments are fully in accordance to what is disclosed on the 13th. 

 

Shown is: as to how the LB2 control screen presentation is interacting in respect to the 'Range adjustment CR tube' (left-hand side) presentation

Please bear in mind, that the dual trace deflection systems are interconnected in reverse. Thus, one trace is painting from left to the right and the second one from right to the left. Also the vertical deflections are in reverse interconnected. The great advantage of this clever method is, that only when signals differ 0° or 180° these can be painted back-to-back in the centre!    This is also the reason for that alignment of a feedback pulse or blip should be done at due North (0°) or South (180°) on the LB2 control screen.    Not yet discussed: the CRT time-base is originating straight from a sine wave, causing a non linear time-base-line in connection to the dual trace CRT; though, an ultra linear circular time-base-line on the LB2 'control screen'.

 

However, is what is discussed previously not my fantasy and contravening with wartime realities?

 

     

This Radar News 19 drawing is the nucleus of our Nachtfee survey project. It showed in 2009 to me a device that was on sale on EBay four and a half years ago (spring 2005). From 12 November 2011 it is the starting point of an unprecedented ongoing survey!

The wiring between Freya-EGON (on the left) and the Nachtfee console is bi-directional. Nachtfee data going out and inwards the aircraft signals constituting the feedback loop.

My notebook following all experimental stages of this survey

The 'Range Adjustment Tube', discussed in the previous drawing, is the dual trace HRP2/100/1,5(A). Just this is what I did with bringing the returning Nachtfee feedback signal from the aircraft transponder in line with its 'order' waiting position at 'due North', by means of the 'Range off-set' control (The latter in the above drawing called Range Adjustment Tube)! There is no way around this basic procedure, as this latter control is virtually rotating the time-base of the LB2 'control tube' screen (time domain). It has to be rotated such, that the Nachtfee feedback signal will point equally as it did when it left Nachtfee less than 2ms ago. Only by this means, all system delaying parameters are taken into account; including the distance off-set between the ground station and the airborne payload. Hence, electrical delays may be translated into an additional 'Range off-set', what it virtually is!      The only remaining point is - how TB delay compensation was accomplished. By means of an additional vector off-set of the controlling TB blip displayed on the LB2 control screen, stays open. No doubt is possible, that in some way or another a TB signal has to return to the Nachtfee LB2 'control screen', as only this screen allows proper 'Phase' control off-set! Please bear in mind, that the 'Control Tube' and the 'Range Adjustment Tube' are only displaying what comes via the feedback loop

Just come over and convince yourself!

 

It is found, that I should dedicate some time as to explain the implications of Nachtfee in the domain of time. It is sometimes quite difficult to understand what al loop interaction constitute. When I speak, for example, that Range off-set tuning is rotating the LB2 time-base-line, this might cause confusion. The time-base-line has not been rotated, but its actual signal phase is changed or manipulated in a way, that when the next returning pulse arrives it is appearing at another screen vector.

Please consider therefore: Nachtfee in the Domain of Time

 

 

On 21 November 2012

19

After about a year the missing knobs have been fit onto the Nachtfee front panel.

(Bladwijzer198)

Thanks to Antoon Steenbakkers, who copied the original Bakelite knobs, via means of silicon mould; using a low temperature melting tin

You just must know that these are copies, otherwise they look genuine!

Please consider my new contribution:

Explaining Nachtfee a bit differently

 

 

On 28/29/30 November 2012

20/a

 

Some already long over due modification has been carried out.

Annoying was that over more than half a year three times the Nachtfee output valve Rö 11 stroke. It was already discovered that the RV12P2000 glass envelope was becoming far too hot. Measurements stated that at the feeding side of the output transformer (primary windings) the HT supply is 350 V. A far too high voltage level! I decided not to interrupt the ongoing experiments tough simply replacing the defect valves; waiting for a better opportunity.

The Nachtfee project is reaching a slower speed of progress and time is available to look after this nuisance. Solving the problem is my first aim, as I do not want to dismantle the Nachtfee plate covers and other means; therefore it is decided to approach the problem in a pragmatic sense. Why not lowering the HT a bit? For it I inserted in series with the 350 V HT line a series resistor of 10 later extended to 15 kΩ; over it providing a drop of 86 V →  I = 86/15 = 5.73 mA  a still quite high valve current, but according the valve data it must work.     It might nevertheless be worthwhile trying to reduce the valve current a bit more (22 kΩ?) .

One may ask why not lowering the HT a more? The reason is, that the Nachtfee data output line has to feed appropriately the pulse generator. It was all the time discovered that the (partly) failing output valve caused an output drop which the pulse generator could not cope with and then stroke; thus precautions should be taken. Hence, I should not exceed a certain (minimum) signal level keeping a safety margin.

The Nachtfee HT system is designed such that every circuit section is having their own series resistors, all derived from the central 450 V. I have first to disclose what else is directly connected onto it. I would, however, not wonder when an act of sabotage is involved; although, also a design error is possible.     

 

  This modification leaves room for extra fine tuning

After modification I measured the RV12P2000 Bakelite base temperature which is now 50° C, whereas the adjacent base generated 40°C. For the time being it will be left this way. As I encountered this nuisance every time when the top cover plate was mounted (likely preventing a cooling airflow) it will be put on its place though, without fixing the screws. Murphy is everywhere!

 

I also undertook again stability tests and it is found that after > three hours of operation, the Nachtfee deviated against the synthesiser PM5193 up or down 0.0002 Hz. Seemingly a very low drift, but still too much in my perception. It might have been much higher under wartime operational conditions. This 0.0002 Hz may be regarded a kind of mutual time-base deviation bandwidth. Experiments were carried out under quite favourable conditions, within a more or less constant room environment. However, seemingly stable but after a while not tolerable phase drift errors occur; causing the Nachtfee 'order' painted at the simulated aircraft display pointing at an entirely faulty vector.  One have to think of: start action whereas 5 degrees left is meant!

On the other hand theses domain time errors can be compensated for by means of the 'Phase' and 'Range off-set' control of Nachtfee. We should not neglect the fact that when we operate one of the Nachtfee phase shifting goniometers (A, B or C), that even slightly changing a search-coil vector (angle) is causing a bit longer lasting (additional) drift component.   

An advantage is, that under all circumstances the LB2 control CRT screen is providing the true situation and every parameter deviation is thus accurately monitored! Whatever the internal Nachtfee time-base-deviation is!          Hence, can be countered.

 

Though, why?

 

Due North the feedback Nachtfee signal, directly the product of a domain of time; because it bridged the entire trajectory twice, also retransmitted by the FuG25a IFF transponder at distance. All time errors owing to time-delays is to be corrected by means of Nachtfee's internal 'Range off-set' control; which latter is being fed from the same time-base as is the origin of the Nachtfee 'order' pulse

From the above LB2 control CRT, all timing deviations can be controlled and eventually corrected.    However, when both the Nachtfee time-base and the aircraft reference are drifting against each other, keeping them in line would certainly have been a quite nasty job! Nonetheless, it is possible.  

The pulse at about 45° is showing the TB reference signal, derived from the simulated aircraft display time-base. Both phase references having a tight relation to due North and 0° time-base phase.     Also the TB pulse needs distance correction and an electrical delay compensation; though this covered by the 'Range off-set' as well. Both transmitted by the same transmitter - passing equal range - passing through the same receiver, as well as the same feedback circuitries up to the LB2 CRT screen.

We may assume, that the actual TB signal vector is due to a delay in the system as well. Which may be regarded, at least in some respect, having a constant value. Please bear in mind, that anti-clockwise rotation (LB2) means that the TB pulses is advancing, thus clockwise means its signal phase is legging behind.

Because our Nachtfee system setup is not allowing for experimenting at distance. It is thus debatable whether the error correction of say 45° is valid under all circumstances. Nevertheless, the forward (upwards) going Nachtfee data signal is closing the TB loop upwards! This is solely accomplished by manually operating the 'Phase' control, which changes the overall Nachtfee signal phase additionally; so that it arrives just on time where it should pop up at the 'order' display screen. Not easy to understand is that this loop consists of downwards going TB-phase-pulses and then continues with upwards going (manually) manipulated Nachtfee ('order') phase signals; closing the loop into this direction. As you can see both vector parameters are painted at the LB2 control screen. Hence, Nachtfee deals with two closed loops, one going Nachtfee - aircraft - Nachtfee; the second one aircraft - Nachtfee - aircraft.

The Nachtfee FuG136 system bottleneck stays the stability of both time-base sources (references). Long lasting experiments showed that at least stability in the order of >10-7 is required. Taking into account that one necessitate a safety margin, we may think of 10-8. In the 1940s most likely 'a bridge too far'!

This aspect might be the cause that nothing on it was heard in post war years; as in many cases at least the Russians may have adopted it. With the exception of late Fritz Trenkle who most likely relied on rumours and some obscure Felkin information. I would be delighted getting access to wartime or post war reports. However, the chance for that is about Nill.  Though, quoting James Bond: Never say never again!

 

On the other hand, I am very much impressed, notwithstanding all its shortcomings, how T. von Hauteville at Rechlin has solved the variety of technical requirements about the second half of 1943; especially in respect to the means how the two CRTs are capable of controlling all 'domain of time' errors precisely. 

Chapeau bas!

or

Hut ab!

       

 

On 7/8 December 2012

21/a

(Bladwijzer197)

During my search for information on Nachtfee operations, I came across Wikipedia de and Wikipedia uk, each one explaining the course of the January - April events, known in England as the Baby-Blitz, and in Germany Unternehmen Steinbock, differently.  For us most significant is the German version, as it clearly points: daß die Luftwaffe aufgrund eines nicht fehlerfreien Funknavigationsverfahrens die Angriffsziele nicht sicher fand; explaining that owing to technical failures of their Radio Navigation they could not find their targets appropriately.

In other words: the German radio navigational aid, which we know it was based upon Nachtfee, was not free of (system) failures, and their targets were not clearly found. Leaving open what the real cause might have been.

I have especially ordered via Abebooks the particularly reference they have used. I hope to find the source on which they relied upon. It might be necessary to approach the MA in Freiburg, Germany as well.

In the course of my Google search I also traced a group discussing KG 66; I luckily was able to trace down the one who seemingly knew quite much about this topic. Although, the discussions took place in the course of 2001, he quite soon replied very enthusiastically.

What he wrote is in some respect very significant, as he once had contact to two wartime I./KG 66 operators (he also told me on the phone that both have passed away in the meantime), of which one instantly told Marcel Heijkop that he remembered the dartboard like 'order' display quite well. He also mentioned vividly, that he was very pleased with the introduction of Nachtfee (whether he new its system name?) and regretted that it was made redundant. Was Nachtfee failing?

During our quite extensive phone discussion on 8 December 2012 Marcel mentioned another interesting aspect. As to prevent a total collapse of their navigational systems, he was told that different 'Staffel' used different navigational means. Think of: one relying on Nachtfee - one on Truhe, which latter navigated by means of British GEE signals* - one Staffel relied on EGON and so on. This statement does not sound unrealistic to me.

* Please remember Klein-Heidelberg, where the Germans exploited CH radar signals

Marcel told me also to what he understood, that in this particular respect (Truhe) the GAF used British captured technology. Why not? Many Allied aircraft crashed over occupied European territories. In the remains always some bits and pieces survive and were gathered at special collecting sites**. For instance: in the AGR minutes was once referred to the fact - that they possessed enough stocks of US radar valves.  On the other hand, GEE was over the European Continent heavily jammed (when the Allies operated over the continent, what quite often was the case) and Truhe was only an aid when they operated it over the North Sea against the British Isle.

** The Germans possessed even airworthy aircraft, which they flew with. Don't start laughing, amongst it were Mosquito - B17 - Wellingtons - B24 - and other aircraft.

 

However, why not giving it a try and making one (dartboard window) myself on the computer, of course adapted to our simulated situation? The Nachtfee 'order' or command compass scale is using a pointer (the small one). The successions of orders and its accompanied vector must thus be equal in the aircraft display system too. Small drawing distortion is due to the fact that I relied upon a photo which has a parallax error and a circle was never a true one though an ellipsoid.

Please notice, that this experimental concept is only born in my imagination, and in no way is pointing into the way it had been once accomplished. Nevertheless, on the other hand not saying that it wasn't like this.

 

 

The 'order' blip is, in our case represented by a spot, because our signals are fed onto the Z-modulation* input of the oscilloscope used. It is exactly pointing due North. It might seem that I incorrectly have divided the window vectors. This isn't the case, as I used an 'order' compass photo in the background during the vector sectors were drawn. At the end of the process I deleted the photo and the drawing was what left

* Z-modulation is directly (dc like) influencing the brightness level of the painted trace. The painted Z-spot is seemingly bigger than the time-base trace because the fluorescence material is forced to emit (excitation) of the fluorescence material around the spot (a bit). 

The dotted circle is caused by the also transmitted EGON signal, which is having a bit lower PRF; 500 Hz for EGON and 506 Hz for the Nachtfee data signals. Both is not interfering to one another.

Please neglect the bright spot just at the edge of the Exp window, as this is being caused by the way the TB pulse is fed onto the FuG25a keying system (it will appear at another vector when, for instance, the TB pulse is fed onto Rö8). I might consider changing the way this is accomplished. Maybe by interrupting the video-signal during the TB pulse is being transmitted. Remember also, that for technical reasons a legging phantom pulse follows the reception pulse; the data is written (painted) clockwise and that the phantom signal is less bright. 

 

 

The signal spot is pointing now at due South equal to Pauke (Auto)

The Nachtfee data blip or spot could point due South not only because the 'order' Pauke is transmitted, but also due to the fact that the Freya-Polwender selector is being activated. This latter was the regular waiting position as long as no 'order' was due to come.** However, when a new 'order' should come soon, the Nachtfee ground operator operated the Polwender selector (pointing up now) and the Nachtfee 'order' blip or spot jumped at due North. When this happened, the responsible aircrew member knew that soon thereafter the Nachtfee blip or spot will start rotating slowly, most likely clockwise. Stopping at a particular Nachtfee 'order' window. According information we obtained from British wartime documents Pauke stood for 'open your bomb doors'. Quite curious, as Pauke in GAF terms meant attack! (Bladwijzer185) and (Bladwijzer50

** This due South waiting position might also have been used as to align the aircraft time-base reference onto the one arriving from the ground. At least this is my hypothetical perception of what could have been accomplished.

 

 

What the exact meaning of the jjj 'order' was I cannot judge. It might point to 'attention enemy aircraft' or that like

 

 

This 'order' kus might stand for Karussell, which meant: fly a full turn (circle)

 

 

snk stood for Schnecke (senken): lower your flying speed 

 

 

nal2 is telling the aircraft operator that they should switch on or changing over to recognition (FuG 25a IFF) Morse-key-channel 2 (the one we are also using during our experiments)

The Morse-key-code length was limited owing to the fact that they provided limited numbers of fingers which could be broken-off the key-body. For simplicity I choose: on - off - on - off -pause, the latter system obligatory.

Viewing the dartboard like window its clearness is inferior to the display version which relies on a LB2 CRT screen (shown next).

 

Please imagine that the dartboard like window is being put in front of this display

This kind signal blips is the only one possible within this sort of CRT

 

Some of you may doubt this latter statement, but what you see projected is a signal that, without any additional pulse forming, directly is derived from the Gemse RX video output. The pulse form or shape may well be influenced a bit by the Nachtfee (internal) video circuit of the LB2. From outside we have no influence than the level of the video signal (Implusamplitude), with the exception of the LB2 pulse-brightness and amplitude level (trimmers). That in my early experiments it seemingly looked differently was only owing to the fact that I directly fed-back the Nachtfee signal-output onto its (feedback) video input channel controlled by means of: Impulsamplitude. As to get it right, some kind of pulse forming was necessary as to prevent that the entire time-base-line was showing signs of the Nachtfee (data) sine-wave.

 

Discussing with my wife Karin whether it is possible to remove the screen information of the pictures above and replacing it by the screen-shot background shown above. She said, please send me the two photos and I'll see what is makeable.

 

Again, what you see next is my imagination as to how it once might have been presented

 

Shown is the compilation of the previous (dartboard like) paper window with a LB2 screen shown just previously behind it. The simulated 'order' points at 1R which equals, according British information, 5° to the right. R stood for Rolf (=Rechts). Lisa in contrast meant Links, which equals 'left'

Hence, 2R stood for 10° to the right

 

 

The Nachtfee 'order' pulse pointing at Pauke, which equals also due South, the waiting or rest position of Nachtfee.

'A' staying for: Start action (operation) and 'E' meaning End of operation. Again my abbreviations which better fits into the available space.

It is evident, that this kind of presentation is definitely more convenient than the way we are doing it currently. We lack, however, a LB2 deflection joke and what belongs to it, and we have to paint our Lissajous by means of an oscilloscope. I don't fight a war, though I only would like to shown how technology works and how it might have been accomplished.

 

I just wonder, we can see that left and right from due North the two adjacent vector sectors differ from the most other vector spaces. Why? A guess, couldn't it be that this was done as to prevent for drifting signals in the domain of time, at least optically? Which signal blip would disappear behind the blank sectors. On the ground this could not happen, because the Nachtfee 'order' pulse is at all times in full coherence to the system time-base of the Nachtfee, which the Nachtfee data signal is not in respect to the aircraft time-base-reference. The only valid received 'order' signals appeared in the visible windows, all the rest was simply not trustful. Neglecting the complication that an operator is not aware into which direction signal drifted. Again, all hypothetically! 

A hypothesis

 

 

Subject number 22, currently on this webpage has been moved to:

Nachtfee Things done 2.

It proved to be necessary as downloading this page was becoming a bit slow, especially hampering for those have slow data access.

 

 

Please consider my new contribution:

Explaining Nachtfee a bit differently

Please consider also new findings via Wikipedia: Was Nachtfee ultimately failing system concept?

 

 

By: Arthur O. Bauer

 

Start