Nachtfee
Things
Done 2
Constituted
on
26 December 2012
Status: 29 March 2013
'24a' +'24b' = Revised and upgraded content
On 24/25 December 2012
22
A new experiment is to be undertaken.
Let me please stating first: the following experiment is basically meant as to proof whether it is possible to control the number of TB pulses. It is, however, fully hypothetical that they once may have manipulated it in this respect. One may not say - that this kind of technique was never accomplished by the Germans; because this is not true. They accomplished it, for instance, by the modified Würzburg "Kennung B" techniques. Also the way the range of the Würzburg-Riese (FuG65) was being switched between 0 - 40 km and 40 - 80, also in the Klein-Heidelberg system. All relying on 'Blanking and circuit switching' techniques.
It has been discussed several times, that it might make sense reducing the number of TB pulses as, to my my understanding, 500 TB pulses per second is far beyond what is necessary. Regular movies cope with 25 frames per second, why not in our system eliminating a few frames?
For it I decided to simply giving it a trial.
Synchronous pulse gating is not necessary, an asynchronous gating system will do as well. The only thing that will occur, is that less than the number of gating numbers per second will actually constitute the number of TB pulses. Why? Because gating is asynchronous and it will certainly happen that the first order pulses become available during the (just) off cycle of the gating system. This irregularity will, as we will see, not hampering proper TB alignment via the simulated Nachtfee ground console.

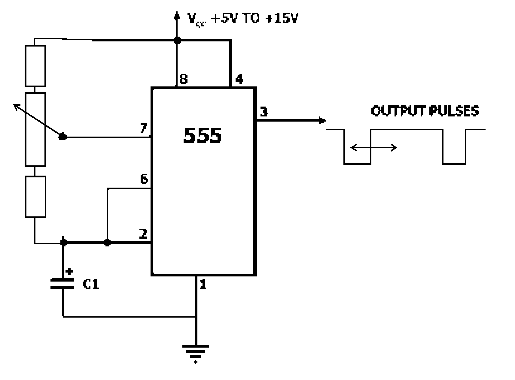
Simplified NE555 (556) timer schematic
The on-off ratio can be experimentally adjusted by varying the potentiometer. The upper pulse line representing the off state as the NE555(556) is having an open collector output. Thus, when it is in off-mode the output level equals Vcc (12 V via a 7812 regulator as the NE555(556) Vcc may not exceed 15 V and we operate the rest of the pulse forming-amplifiers at about 25 V). The lower pulse-state (about ground level) is caused by the timer circuit.

Simplified schematic of the keying and blanking circuit

The experimental timer hanging in the air
The lower power transistor on the lower left is switching (keying) the dc pulse amplifier channel on and off. The upper one is blanking the simulated aircraft display during the existence of the TB pulse by means of 'killing' the Z-input signal. When this is kept near to ground level there appears no trace on the CRT screen which is only lasting a short while. The additional 10 kΩ resistor was necessary as to blank the CRT Z-channel appropriately. The next step is placing this module in a metal box. Whether provisions should be made by which means we can switch over between the old state and the new fashion is not yet decided. Please remember, that the aircraft as well as the LB2 control time base run at 500 Hz; missing a few trace rotations is not visible (noticeable) owing to our quite slow vision-nerve-system maybe our brains as well.

The centre section constitutes the dc pulse amplifier
For it I have simply cut its Vcc and it is now being fed directly from the new timer-gating circuit. It proved experimentally necessary to smooth both potentials. Especially the one now being fed from the timer-keying circuit. Its effect was particularly visible in a reduced spurious pulses on the CRT time-base-line. Not much, but enough to keep this modification. In the Klooster premises we only have components used for valve related techniques; whereas in the MLK lab we posses components better fitting to printed circuits. Thus the big Cs and R should be replaced by more adequately dimensioned components.

First LB2 control screen shot using this time an uninterrupted recognition channel*
It is clear that although the number of TB pulses is reduced that the TB reference (at about 8 minutes past the hour) is (still) strong enough for proper TB phase adjustment. The 'strength or brightness' of the TB blip or pulse equals now about the returning Nachtfee blip. Which wasn't the case in previous (uninterrupted) experiments; it clearly indicates that the number of pulse recurrence is having a clear influence on the way we notice screen brightness.
* In one of the Felkin papers it was mentioned that they preferred to operate via nal 2 (recognition channel 2) though without using the Morse-keying; this provides a quasi continuous transmission being every rotation cycle shortly interrupted. They favoured this mode as it apparently eased D/Fing upon the returning EGON signal. As we know, EGON should control the flying path of the to be guided aircraft.
Following the genuine text:
12. The Fug 25a is switched to Kanal 1 to transmit the morse recognition signal and to Kanal 2 for the unkeyed tone signal. Kanal 1 is employed until the aircraft is within 50 km. of the target. Kanal 2 being used whilst the aircraft is near or over the target and under control of Freya No.2.(??, AOB) The latter Kanal enables the bearing of the aircraft to be read more accurately. (Felkin 187/1944, not yet transcribed available on our website) To my (AOB) understanding, Freya-EGON relied on a single controlling station; the so-called 'Zweistand-Verfahren' system was not employed during this operation. Also the text is incorrect, as Freya itself was not capable of tracking when range exceeded, say, about 100 km; EGON could, nevertheless.

It might take some time before the optimal TB PRF reduction value is finally found
The soft circle outside the main time-base-line is being caused by the EGON signal which is also transmitted albeit, having a different PRF (500 Hz versus 506 Hz of Nachtfee)

Shown are the TB-gating pulses
It is not easy photographing these kinds of screen shots, as the scope triggering has to cope with two different kind of signals the PRF of the timer-gating as well as the TB PRF. Also the quite long exposure time of my camera is a hampering factor.
A reasonable timer gating was found to be 750 µs on and 5 ms off. It is, however, debatable whether this will be kept in the future. It nevertheless is a reasonable good option. As the gating time can be adjusted by means of a potentiometer (acting as a ratio divider), we are still free choosing what is best. Please bear in mind, that the gating time does not say anything about the numbers of TB pulses, as these are quite small against the gating time; in our case about 3-5 µs versus a cycle time of 2 ms.
It has been found that there exists a sort of critical minimal numbers of TB pulses to be handled on the LB2 control screen. When a critical number is noticed the TB pulses became too weak to be operated effectively. Some experiments have to be accomplished, though, the recent results satisfy fully the estimation that decreasing the number of TB pulses will not hampering the effectiveness of the TB pulses on the LB2 control screen. Maybe that synchronous gating is more effectively, but the asymmetry of the TB pulse sequence does not matter for its control function.
Temporarily Conclusion:
This new, experimental and hypothetical, modification takes away the downside of combining both the receiver output available at pin 9 of the FuG25a IFF test adapter together with injecting at this same connection the TB reference pulse (this test point actually is only connected onto the detector output; internally it is linked directly onto the keying system and thereafter fed onto the IFF transponder TX). The previously encountered downside, that the TB pulse is also (logically) visible at the aircraft 'order' CRT screen is by this modification being fully eliminated. The blanking-out sequence is not inflicting the full data content arriving from the simulated Nachtfee ground control signal. As, like the lower sequence of the TB pulses, it does not matter that the Nachtfee 'order' signal misses a few 'order' or command PRF cycles. Hans Jucker once objected (opposed) my earlier experiments, where the TB reference pulse was fed onto an extra made connection at Rö8 of the FuG25a transmitter section. He guessed correctly, that they did not modify the FuG25a at all. The recent experiments prove that this is clearly possible. This will however, not implying that it was done this way, but making it more likely that they have accomplished it in a comparable manner.
For those interested in the technical progress of this survey please notice also my technical Nachtfee diary
On 28/29/30 December 2012
Time is right to integrate the new timer circuit inside the existing 3 pulse channel amplifiers.
It is for practical reason decided to build in the NE555 (we actually use the twin version NE556, because this is what we have at hand) and related circuit into the pulse channel module. It proved that the best way doing this, is to move the video-pulse channel to the other side of this module, and removing the two BNC connectors. Space is then just right, however, some ingenuity was necessary to accomplish it.
The TB pulse-gating-timer is build-in on the right-hand side. For it it was necessary to remove the two BNC connectors
The TB blanking pulse is directly wired onto the Z-modulation output connector.

The place is cleaned and the wiring is also being simplified The place is cleaned and the wiring is also being simplified. The gating ratio is adjusted by the potentiometer shaft. This needs later an improvement

The simulated Nachtfee aircraft display, the spot or blip due north is the 'order' pulse. The normally visible TB reference pulse is entirely being blanked. The dotted time-base-trace is showing the EGON pulses which is having 500 Hz PRF versus 506 Hz of the Nachtfee data
It is is obvious that the previously shown TB spot or blip is no longer visible, although it is in the domain of time still existing, but being just blanked out. This is, however, not blanking the actual ground-data-signals, as in the TB off-cycle enough pulses are remaining.

The LB2 control screen shows at due North the returning Nachtfee pulse via the FuG25a IFF transponder. The pulse at, say, 8 minutes passed the hour is the TB reference pulse. Having a quite low prf, which is controlled by means of the timer gating adjustment

Timer gating adjusted such that the Nachtfee transponder signal equals more or less the visual strength of the TB-reference signal
At the end of this session today the simulated aircraft time-base stabilised at 506.0276/7 Hz. This is the time-base frequency necessary to synchronise quasi onto the Nachtfee 'order' ground pulses; so that the 'order' spot or blip stays at a constant angle at the simulated aircraft display. However, full synchronism is never reached, even after the Nachtfee console was operating for > 2 ½ hours! Nevertheless, this may doubtless being regarded a workable situation. But full proof ...?; which it was during the first two hours of its operation certainly not!
On 9/10/11/12 January 2013
24a/b
'24a'+'24b' = Revised and upgraded content
Time has come to implement an additional switch by which means we have a choice between the previous non TB-gating- or the variable TB-gating mode. My first attempt was hampered by a mistake, though soon it worked all well.
Please notice: This additional experiment does not mean that we expect that it was equally accomplished during wartime days. The only aim we currently have, is figuring out all possible means as to how system parameters might have once interacted. For it I am using solid state circuits, as these are easy to build and manage.
Setting the selector handle, on the left-hand side, facing upwards the TB-gating option is chosen; pointing downwards means operating the non TB-gating mode
The wiring trick is to disconnect both the in- and output wires of the new NE555 (556) gating circuit and interconnecting instead the Vcc (20-35 V) onto the TB-pulse amplifier (as it once was wired) v.v.
Thanks to the very kind support of Alfred Breur, we have been able to purchase from an 'obsolete goods' store a so-called 'computer table', which is far more versatile than the one we have previously used.

This new configuration is far more convenient than was the old one; especially in respect to additional work space and carriage stability. All together a very handsome setup. The various tools, as well as various bits and pieces, can be accessed more easily too. The only downside is the fact that this table requires more than 30 cm extra (broadside) room, obstructing sometimes a passageway

Shown is the simulated aircraft display, where the un-gated TB time-base-reference is being displayed too(the bright spot at 3 minutes passed the hour). The spot at about 180° first puzzled me, but is was finally discovered that it is being caused by a too high Vcc level, which proved actually being 35 V. Lowering it to about 27 V solved this phenomenon. This latter voltage level being still subject of experiments, as it plays a role in respect to the brightness of the painted circular trace versus the video data content
It was first expected that the 180° spot was a duplication of the Nachtfee 'order' signal, which it is not, as it did not move at all when the Nachtfee 'order' signal does.
My second guess, this parasitic spot is owing to the fact that the TB pulse amplifier circuit responds onto the negative crossing at 180° of the TB sine wave as well. Whilst, it is being operated during the gating mode with 12 V Vcc pulses only, it apparently does not. However, it must have been caused in the video-pulsing amplifier circuitry, where signal (level) is causing troubles, owing to the height of the Vcc supply; nevertheless, still relying on the latter described phenomenon. Both amplifying channel circuitries are of equal design; albeit that the one handling the TB signal is dc coupled onto the sine-wave synthesiser (PM5193), whereas the other channel is having first order differentiation for both in- and output. A second proof, there is a slight tendency that also the Nachtfee data signal is causing a tiny phantom spot; please notice the next photo carefully. Whether there is an apparent dependency upon the supplied Vcc should be investigated in due course.

Shown is the simulated aircraft display were the TB time-base-reference is being gated. This gating circuit kills also the CRT-TB-spot; actually blanking the entire video channel during the full endurance of the (TB-)gating window. The dotted trace is the also transmitted (handled) EGON signal which is having a 500 Hz PRF, whereas our current Nachtfee data channel is operating with 506 Hz (Q8)
Although, their mutual PRF difference is tiny (6 Hz), operational observation is never being hampered. Even not when operating channel 4 or 6 which both having only a 2 Hz PRF separation against channel Q5 at 500 Hz, which latter equals the EGON PRF. Two Hertz rotation difference is noticeable, whereas six Hz is not; our brains cannot follow the fast spot movement on the perimeter of the painted CRT trace. Let us first consider 6 x 360° per second; this means that the painted spot passes 2160 angular degrees (2.16 degrees per ms). It is evident that our nerve system cannot cope with such a radial velocity. In contrast, a 2 Hz circular spot rotation is from my own observation possible to follow. Maybe is follow a bit exaggerated, though, our brains notices it as a rotating information; 2 x 360° giving 720 angular degrees per second; hence, 0.72 degrees per ms. Likely, is the brightness of the visible spot also playing some role in the latter observation. However, brightness or not, six Hz spot rotation cannot be distinguished as particular information (spot) movement, it is even impossible to say into which direction it actually rotates (clock- or anti-clockwise).
However, we can also convert it into a light-spot velocity per unit of time. The perimeter of a circle is determined by: πd. Let us estimate that the aircraft circular trace is according the scale division of our oscilloscope 5 cm, we get then 3.141 x 0.05 = 0.157 m. When we would have had 1 cycle per second, the spot velocity is 0.157 m/s. We have, however, to deal with 6 cycles per second, then we get a rotating spot velocity of 6 x 0.157 = 0.942 m/s. Noticing this value seemingly is too fast for our visual system. Whereas 2 Hz can be followed easily (0.314 m/s). Maybe the age of the observer plays a role though, I doubt that younger people will having no problems following the quite fast rotating light-spot trace at all. The simulated aircraft display suppresses the time-base spot rotation as long as there does not exist a receiver signal; owing to the adjustment of 'a kind of threshold' of the Z-modulation channel. Hence, what we see is just the rotation of the EGON pulses versus the Nachtfee time-base-reference. The consequence of all this, is the fact that when the circle diameter increases the spot velocity per unit of time does also.
However, the brighter spot just a few seconds after the hour is the Nachtfee 'order' signal. Please remember, the central signal connection (interface) is test-connector pin 9 at the FuG25a front panel (Bladwijzer207). This point is directly linked electrically (galvanic) with the 'audion-detector'; this signal line is inside the FuG25a transponder linked (wired) onto the Morse-keying (recognition) arrangement and thereafter being fed onto the transponder transmitter pre-amplifier. (Please consider its schematic Bladwijzer208) At pin 9 (at the upper right-hand side of the FuG25a schematic) the video signal for the simulated aircraft display is being derived (including the for us non relevant EGON pulses). When we inject, or call it mixing, at the same time (connecting) the TB pulse, logically this signal will be displayed on the CRT screen as well. By means of the newly introduced TB gating circuitry, we lower at will the number of TB pulses per second to be fed onto pin 9; during the TB-gating we kill (blanking) also the video signal, just (electrically) at the Z-input of the oscilloscope (actually accomplished still inside the Al box). We use, however, asynchronous gating and during the pause-interval there is no TB pulse available, and the regular video signal content supplied at pin 9 is being displayed after processing. Practically, enough video data samples remaining. Please remember, that the Nachtfee data PRF is 506 Hz, when we reduce the TB PRF between, say, 110 and 200 samples per second, there are still remaining enough signal samples. Nevertheless, the TB PRF should still strictly be kept equally in phase and frequency (506.xxxx Hz), as gating is not altering the TB-reference-phase signal at all. We have proved already, that its 'domain of time' is a most relevant aspect; where time and range are both fundamental system parameters. For better concept understanding please consider: Nachtfee explaining its principle a bit differently
What have been recently accomplished, is shown in the following principle system concept (drawing) of August last year. Please regard: Things-to-be-done Bladwijzer181

The pulse at about 8 minutes passed the hour is the TB reference signal. Gating being set wide and quite some TB pulses arriving at the Nachtfee (console) control screen (LB2). Visible because the density or pulse brightness is higher than the pulse pointing due North, being the returning Nachtfee data signal
The above screen situation may equalling the non-gating mode too.
Please bear also in mind: the displayed returning Nachtfee 'order' signal passed the trajectory twice (up- and downwards); whereas the TB-reference-signal is injected at test pin 9, bridges the downwards range only a single time. Its pulse amplitude may also having a bit higher value (amplitude), consequently modulating the FuG25a transmitter more effectively.

TB gating adjusted such that the number of TB pulses per unit of time is becoming relatively small, so that less TB pulses are keying the transponder transmitter (FuG25a). It is even possible to narrow the gating window such that the TB pulses hardly becomes visible
Please remember: the TB signal reference is derived from a sine-wave, like is the Nachtfee 'order' signal; all such signals underwent first order differentiation; so that signals engaged - be it transmitted and/or received - consist of small pulses since. 'Small' means having a relative short pulse duration, but can, nonetheless, having a high tension! (including the EGON signals)
Maybe useful in due course, is trying to measure the TB-pulse-sequence per unit of time. As the TB pulse sequence will appear partly asynchronous, normal 'counters' will likely displaying errors. An event counter instead might do the job.
On 2 March 2013
We obtained a new synthesiser type PM 5193V

The PM 5193V with on top a HP quartz oscillator based on the famous HP 10xxx serie. Frequency output 506.0307 Hz. Viewing the Nachtfee 'order' spot apparently a too high frequency
The latter quartz oscillator is having an outstanding performance, varying from 10-9 up to about 10-10 when it runs continuously for weeks or months. I had to bring it in from the MLK Lab where it ran for at least 5 years continuously! However, what I had hoped for did not materialise. The reason is, for me, unexpected. According the available manual PM5192 S and SM provide the possibility to feed the clock externally from a 10 - 5 - 3.1/3 - 2.5 - 2 and 1 MHz. This sadly does not work in conjunction to our V synthesiser. Its internal time base is: 8.5899297/8 MHz where the last digit might have to be read 8.589930 MHz, because the DANA 1998 counter is showing for the least significant digit a deviation of 2.

The DANA counter showing the output frequency of the HP 10xxx series quartz oscillator (10 MHz)
The reading is very stable, where the least significant digit is sometimes jumping to 8. I regard the HP quartz oscillator being more trustful than does the internal DANA counter reference. Interesting, is, how far its internal quartz reference runs from cold starting up to say after an hour of operation. It was already encountered that the DANA counter does not work fine when less stable signals have to be measured. Even the PM5193V synthesiser output signal is obstructing the way the DANA counter can cope with it. Whether this is owing to the way it has been designed I cannot judge, but also our second DANA counter shows the same kind of behaviour. Never the less, when clean and stable signal being provided it does very well its job.
Some recent YouTube films have been made as well
Film 71: We obtained a Philips/Fluke synthesiser PM5193V a more modern version than the one we previously used. The latter machine was borrowed from Paul and Marc and we are very grateful that we could use it. On top of it a high grade HP quartz oscillator of the 10xxx series, which may be regarded one of the best of its sort (being build in a new housing which I used in the 1970s). It is in the in the class of 10-9 and after running for some time it even comes near to 10-10! I hoped that version V would respond as does synthesiser version S and SM, which sadly is not the case. My aim was, to use the highly stable 10 MHz frequency source instead of the internal PM5193V time base. It doesn't work, as its internal time base frequency is: 8.5899297/7 (it may even be 8.5899300?) Or have I made a mistake? (00053)
Film 72: Viewing the DANA Counter type 1998, reading off the 10 MHz frequency of the HP oscillator. It reads 7 digits deep after the dot thus 2 x a tenth of a thousands of a Hertz too low. It is likely that the deviation is being caused by the DANA internal reference. (00054)
Film 73: The DANA 1998 counter measuring the internal clock frequency of the PM5193V synthesiser. (00055)
Film 74: Viewing the Nachtfee apparatus, we today encountered a small failure where the LB2 control screen did not provided the normal time base circle; the reason might be the fact that the deflection amplitude was too high or too low. Both causing the trace is outside the CRT screen, or just being hampered by the central conical anode cylinder. (00056)
Film 75: Viewing the simulated aircraft screen together with the TB synthesiser set currently at 506,0301 Hz. (00058)
Film 76: Longer period measurement at TB frequency set for 506.0302 Hz, viewing what its interaction versus the internal Nachtfee frequency reference is. Measuring time over 2 1/2 minutes. We seemingly have reached a kind of equilibrium. Though, our local environment may very well differ from wartime conditions! (00061)
On 18/19 March 2013
The LB2 screen failed again. By coincident I discovered when viewing the CRT base from behind that the filament wasn't glowing. I took a good insulated meter and touched the contacts and the screen started to glow up. For security reasons I soldered the contacts. (insulation is life saving, as the filament is kept at a potential of about 1.2 kV)

It proved that soldering the filament connections did not cure problems
Then I pulled out the LB2 slightly and it started glowing again. To be sure that the CRT pins weren't oxidised I pulled it out completely. The silvered pins were clear. When the fault repeats itself, I could replace it with a brand new LB 2 CRT (thanking Dejan!)
On 28/29 March 2013
It proved to be necessary to trace a fault which apparently appeared yesterday; even some indications a few days earlier.
It manifested itself after a short running period, where the signal blips painted on the LB2 control screen were becoming much weaker; even showing signs of a change in its DC level. I could not remember having seen such a phenomenon before.
My first thought, could it be that an internal video-coaxial cable was defect?
However, to day I went for it. The fault was rather curious as at a certain moment the Nachtfee 'order' signal disappeared from the simulated aircraft screen, but was visible at the LB2 screen still. On the other hand, seemingly a fast running signal could be seen (at the simulated aircraft display). In the meantime I had checked whether the correct two data signals were being transmitted (EGON + Nachtfee). This was the case.
What might have gone wrong?
I decided to check whether the quartz signal of Q8 was existing. Which apparently was not the case. Then I switched the quartz channel off-and-on again and readjusted its oscillation level; and it operated again! Oxidation inside the Q8-channel switch?

The black control-knob under switch 8 actually is the control for the feedback-level of the oscillator circuit
For it a special provision is available, where the dual trace CRT is showing the actual shape of a quartz controlled signal.

This is about how it should be adjusted
Have you noticed the non linearity of the time base? This is originating from the fact that the time base is based on a sine wave signal (two traces fed in reverse from a mutual signal source). Interesting, is, that the lowest steepness is in the centre of the CRT screen; just where it is needed. The screen normally is being used for adjusting the correct 'Range offset 'setting, the screen centre acting as a kind of magnifier.
Why is the Nachtfee control-panel fit with a push-switch being designated: Frequenzkontrolle?
Please remember, that the channel-quartz oscillates at a frequency 30 times higher (15,000 : 30 = 500 Hz). Frequency division is thus necessary. In those day this was often accomplished by means of a so-called 'regenerative divider' technique. These are dividers which oscillate freely around the range where it, when an appropriate signal is provided, will lock onto. Thus, when a quartz signal is lacking an erratically running frequency is to deal with.
What I saw at the simulated aircraft display was an EGON like signal. EGON signal differs normally for channel Q8 only 6 Hz, the free running divider signal will certainly differ quite much more; and that is what it actually did.

The centre circuit from points 'a' - 'III' - 'IV' constitute a 'regenerative divider' circuit
When you look carefully, you can see that the next circuit is also a regenerative divider circuit. Not necessarily having an equal dividing factor. The left-hand side divides by a factor 5, the next one on the right-hand side is dividing by 3. Please consider also Bladwijzer46

This fuzzy screen shot taken just after the feedback control was turned too much clockwise (> than position number 6), causing dangerous overloading of the quartz vibrator until it strikes!
Because of all this, the Germans designated the push-button 'Frequenzkontrolle', is thus entirely adequate. It is an important control, which I, nevertheless, had not operated for at least half a year. Mainly owing to the fact, that I do operate Q8 constantly, whereas in wartime days it might have been intended to change more frequently; be it that more than a single 'Pathfinder' aircraft had to be controlled or for other reason.
There even is a huge downside of manipulating the negative feedback control, because after it has been operated, even be it very slightly, the quartz frequency will start drifting for quite a while entirely uncontrolled; no one knowing to what extent and how long drift will lasting! Not everyone is believing me.

The painted signals at the LB2 control screen are looking normal again
The due North pulse representing the returning Nachtfee signal originating from the FuG25a IFF transponder. It is adjusted by means of the 'Range offset' control shown below, in conjunction with the dual trace CRT. The pulse at 10 minutes to the hours originates from the simulated aircraft TB reference signal. Which shows the actual system difference between the Nachtfee ground console time-base-signal and of the simulated aircraft time-base (being adjusted upon when crossing 0° which is also in both cases at due North). All to be brought in line by means of the 'Phase' control at the Nachtfee front-panel. Bladwijzer214 shows at what 'vector' it should be adjusted as to match with time-base in the simulated aircraft system. Its actual vector setting is a systematic parameter, which will have differed in wartime Freya-EGON Nachtfee systems.
When it was switched on today its scale lamp refused working. It proved to be impossible to access it from the front- as well as from behind the front panel. Although, lamp contact oxidation might be the reason, I have taken the easiest way solving it, by means of an additional small 12 V 0.1 A lamp, being hold by two soldered wires and mounted such that it illuminates the 'Range offset scale' appropriately again. A small down side, some of its stray light is also visible on the the left-hand side. As it is very difficult to access the place we have to live with it for a while

Finally, viewing the simulated aircraft display again. It seemingly shows the regular Nachtfee 'order' signal. The dotted circular trace originates from the EGON/IFF pulses (500 Hz), which differ, in our current case 6 Hz (compared to the Nachtfee operating channel Q8 = 506 Hz); proving that both signals do not interfere with the simulated Nachtfee 'order' signal pointing just due North
To be continued in due course
Please consider the contribution:
Explaining Nachtfee a bit differently
Please consider also new findings via Wikipedia: Was Nachtfee ultimately failing system concept?
By: Arthur O. Bauer