Some Cryptographic patents
During my survey at British archives, such as the Patent Office, I came across patents related to coding machines.
The first page created was on Enigma related patents, which is a quite extensive one.
Albeit not as big, we have, nevertheless, decided to add some curious patents
In progress
Created on 11 November 2011
Status: 15 November 2011
DE107347 Geheimschrift-Apparat; Patentiert im Deuschen Reiche vom 23. Februar 1899 ab. As the Italian application will have had priority, the patent might have been applied for about, say 1897/98. Patent-Anspruch (Claim): Geheimschrift-Apparat, bestehend aus paarweise zusammengehörigen, von einstellbaren Scheiben (g) bebildeten Walzen, der eine ringsum Bestandtheile der Mitteilung (z.B. Buchstaben, Silben, Wörter) und deren andere in gleicher Anordnung eine gleiche Anzahl Geheimschriftzeichen (z.B. Zahlen trägt, welche dadurch einander eindeutig zugeordnet werden, dass nach Einstellung jeder Walze auf einen gewählten Schlüssel an den Zeigern (o) die Bewegung jeder Scheibe der einen Walze zwangsläufig auf die entsprechende der anderen Walze übertragen wird.

DE146924 Geheimschriftapparat mit einem Führer und einem gelochten Schieber. Patentiert im Deutschen Reiche vom 1. August 1902 ab. Applicant: Th. Schild & Co. in Madretsch b. Biel (Schweiz); Again we may assume that the Swiss priority is applied for about, say, 1900/01. Patent-Ansprüche: 1. Geheimschriftapparat mit einem Führer und einem gelochten Schieber, welche derart gegeneinander verschoben werden, saß entsprechende Zeichen des ersteren immer neben entsprechende Zeichen des letzteren zu legen kommen, dadurch gekennzeichnet, daß der Führer als langstreckte , flache Tafel ausgebildet ist .....

DE221075 Verfahren zur drahtlosen Geheimtelephonie und geheimtelegraphie German application on 3 October 1908 On behalf of: De Forest Radio Telephone Co. in New-York. Patent-Ansprüche (claims) ... 3. Verfahren nach Anspruch I, dadurch gekennzeichnet, daß zwei Wellenzüge von verschiedenen Charakter auf der Sendestation in zwei je über Schalter und Tasten geerdeten Antennenleitungen erzeugt werden, wobei durch die Schalter die Amplituden der beiden Wellenzüge periodisch, und und zwar gleich- oder ungleichphasig geändert werden. ...



I do not fully understand how the drawings should fit together
DE307655 Chiffrieruhr Application date 1 June 1917 On behalf of Heinrich Mendelssohn in Berlin. Patent-Anspruch: Chiffrieruhr, dadurch gekennzeichnet, daß mehrere ringförmige, ineinander passende Papierblocks mit aufgedruckter, radialer Einteilung zum Einschreiben oder Aufdrucken von Buchstaben, Ziffern usw. auf mehreren konzentrisch um eine gemeinsame Achse drehbaren Scheiben befestigt werden.

DE338660 Verfahren und Vorrichtung von besonders zur telegraphischen Beförderung bestimmten Chiffrierschriftsätzen. Application date in Germany 22 April 1920. Applied for in Sweden on 10 October 1919, hence its priority date; 1. Patent-Ansprüche: Verfahren zur Herstellung besonders zur telegraphischen Beförderung bestimmter Chiffre-Schriftsätze in der Form typendruckender (early telex or teletype apparatus) oder gelochter Streifen oder Stücke aus Papier oder ähnlichem Material, dadurch gekennzeichnet, daß die jeweilige Auswahl eines in einen Textzeichen entsprechenden Chiffrierzeichens in Übereinstimmung mit der gegenseitigen Stellung zweier willkürlich gewählten, symmetrisch angeordneten Zeichenreihen stattfindet .......





Please notice that the next patent drawing is what has been left-out on the right

DE363227 Vorrichtung zur Umwandlung von Worten oder Sätzen der Schriftsprache in eine willkürliche Buchstabenfolge (Geheimschrift). German application date 31 October 1917. On behalf of Alb. & E. Henkels in Langerfeld b. Barmen. Patent-Ansprüche: 1. Vorrichtung zur Umwandlung von Worten oder Sätzen der Schriftsprache in eine willkürliche Buchstabenfolge (Geheimschrift, gekennzeichnet durch eine Mehrzahl von in einer oder mehreren Reihen nebeneinander angeordneten drehbaren, je mit einem Zahnrad versehenen Buchstabenträgern (z.B. Buchstabenscheiben 8), welche einerseits unabhängig voneinander drehbar sind, um die umzuwandelde Buchstabenfolge einzustellen, anderseits mittels ihrer Zahnräder mit auf einer gemeinsamen Antriebswelle (z.B. einer Kurbelwelle 2) befestigten Zahrädern (12) gekuppelt werden können, um sie gemeinsam zur Umwandlung der eingestellten Buchstabenfolge in eine andere zu verdrehen .....

DE365840 Vorrichtung zur Umwandlung von Worten oder Sätzen der Schriftsprache in eine willkürliche Buchstabenfolge (Geheimschrift), Application date 27 September 1919; Zusatz zum Patent 363227 (see previous patent), On behalf of Alb. & henkels in Langerfeld b. Barmen. Patent-Ansprüche: 1. Vorrichtung zur Umwandlung von Worten oder Sätzen der Schriftsprache ......

Please notice that the pages have been cut into a series of 5 separate pages. We may thus assume, that the original patent drawing is having a size of about A3 or A2




DE371087 Verfahren, Vorrichtung und Schaltungsanordnung zur Nachrichtenübermittlung in Geheimschrift. Application date 10 July 1921, on behalf of Siemens & Halske (S&H), name of the inventor Karl Ammon in Berlin Tempelhof. This is, in my perception, a very interesting patent application in various respect. It might be seen as the preceding technique of the unbreakable SFM T43 secret telex machine (G-Schreiber) as both are using a set of two tapes. Secondly: it shows, in contrast to what I have noticed before, that already in these early days Siemens worked with an electrical system and most likely data-storage for handling the 5 bit-telex code. Whereas Kleinschmitt and Lorenz both worked fully mechanically. Patent-Ansprüche: 3. Vorrichtung zur Ausübung des Verfahrens nach Anspruch 2, dadurch gekennzeichnet, daß mit den beiden zu kombinierenden, synchron laufenden Lochstreifen Fühlhebel zusammen wirken, die gemeinsam die Stromkreise eines Magneten mit Differentialwicklung derart beinflussen daß der magnet bei unterschiedlichen Teilelemente beider Streifen eine andere Wirkung ausübt als bei gleichen. .....


DE383593 Typendruckvorrichtung für das Drucken von zweibuchstabigen, immer aus einem Vokal und einem Konsonanten bestehenden, durch Chiffrieren zweistelliger Ziffergruppen erhaltenen Silben. German application date 23 March 1922, Swedish priority 24 March 1921. On behalf of Aktiebolaget Cryptograph in Stockholm. Patent-Anstrüche (claims): 2. Typendruckvorrichtung nach Anspruch 1. dadurch gekennzeignet, daß die Typenscheiben, die durch die nach den Ziffernreihen mit zehn Ziffern (4, 6) einstellbaren Einzelorgane (II) betätigt werden, je zehn Konsonanten tragen, und zwar dieselben, die in einer der Buchstabenreihen (8, 10) mit zehn Konsonanten in der Einstellungstabulatur enthalten sind, aber in umgekehrter Reihenfolge, während die Typenscheiben, die durch die nach den Ziffernreihen mit fünf Ziffern (3, 5) einstellbaren Einstellorgane betätigt werden, je fünf Vokaltypen tragen, auf jeder Typenscheibe zweimal in gleicher Reihenfolge wiederholt, aber auf jeder Typenscheibe in umgekehter Reihenfolge gegenüber den Buchstabenreihen mit fünf Vokalen (7, 9) in der Einstellungstabulatur. 3. ....



DE398789 Verfahren und Einrichtung zur Verhindern des Mithöhrens beim Telephon- und Telegraphenverkehr mittels elektrischer Wellen und zum Vielfachverkehr mittels elektromagnetischer Wellen Application date 4 March 1928 Applicant L. v. Kramolin in München Patent-Anspruch: Verfahren und Einrichtung zur Verhinderung des Mithörens beim Telephon- und Telegraphenverkehr mittels elektrischer Wellen und zum Vielfachverkehr mittels elektrischer Wellen, dadurch gekennzeichnet, daß zur Erreichung des genannten Zweckes eine Verteileranordnung benutzt wird, bei der ein Strahlenbündel oder eine bewegte Gasstrecke als Schaltarm dient.

DE425454 Chiffrierapparat. German application date 27 September 1924, Application in Sweden on 28 September 1923. On behalf of: Aktiebolaget Cryptograph in Stockholm. Patent-Ansprüche: Chiffrierapparat mit mehreren sich in ihrer Lage gegenseitig bestimmenden Organen, von denen eines eine Reihe von Normalzeichenserien trägt und sich bei jedem Chiffriervorgangum einen gewissen Winkel dreht, gekennzeichnet durch die verbindung von vier Organen, nämlich eines hin und her beweglichen, eine Normalzeichenserie tragenden Organs (31), das in bezug auf ein zweites, eineReihe von Zeichenserien tragendes und als Zylinder ausgebildeten Organ (3, 5) hinter einer .......


DE430599 Elektrische Chiffriervorrichtung zur Herstellung von besonders zur telegraphischen Weitergabe geeigneten Chiffriersätzen. German application date 24 July 1925. (eventual Swedish application date not know). On behalf of: Firma Aktiebolaget Cryptograph in Stockholm. Patent-Anspruch: Elektrischer Chiffrierapparat zur telegraphischen weitergabe geeigneten Chiffrierschriftsätzen mit zwei in Verhältnis zueinander schrittweise einstellbaren Chiffrierzylindern, welche mit der zur Herstellung der Chiffre dienenden Maschine elektrisch verbunden sind und die Bewegungen .....



Please, always bear in mind that like these drawings, patent drawings are often being divided as to keep its content fitted to an A4 size paper sheet
DE433032 Apparat zur Umschreibung von Morsezeichen in Typenschrift und zur gleichzeitigen Dechiffrierung von Telegrammen German application date 5 September 1924 (Swedish priority 10 September 1923) Applicant Aktiebolaget Cryptograph in Stockholm, Patent-Ansprüche (claims): Vorrichtung nach Anspruch I, dadurch gekennzeichnet, daß einer durch sogenannte Schaltzeichen in dem zu dechiffrierenden Telegramm beeinflußbaren Wählerarme zum Schließen des Stromkreises für einen Elektromagneten (Sw) des Elektrokryptographen von der Stellung für Dechiffrierung in die Stellung für das Schreiben von offenen Text und umgekehrt umstellt ....

DE434642 Chiffriermaschine. German application date 1 January 1925, on behalf of Firma N.V. Machine-Maatschappy "Kryha" in Amsterdam. This might, like was done for Enigma related patents and their applicants, being handled by a Dutch entity; as to overcome the downside of the Treaty of Versailles of 1919. Siemens, Carl Zeiss Jena as well as other German companies moved their delicate industries often to the "neutral The Netherlands". Searching in Google about Kryha machine it was found that it was owned by an Ukrainian Alexander Kryha. Please read for details the following link; The second link might also be of some interest. An interesting link in English language is Frode Weierut's contribution on the Kryha machine Patent-Ansprüche: 2. Ausführungsform der Chiffriermaschine nach Anspruch I, dadurch gekennzeichnet, daß je eine Zahngruppe und die nachfolgende Lücke des mit ....


DE514964 Einrichtung zur Geheimhaltung von elektrisch übermittelten Nachrichten German application date 15 July 1928, although, we may assume that a Dutch priority exists. Applicant Dr. N. Koomans im Haag in Holland. He was quite famous and was also engaged at the Dutch PTT Radio Lab. in The Hague. Patent-Ansprüche: ... 2. Einrichtung nach Anspruch I, dadurch gekennzeichnet, daß das zu übertragende Frequenzband unzerteilt über je ein Netzwerk, dessen Lochbreite dem Frequenzband entspricht, in der Sende- und Empfangsstation übertragen wird.

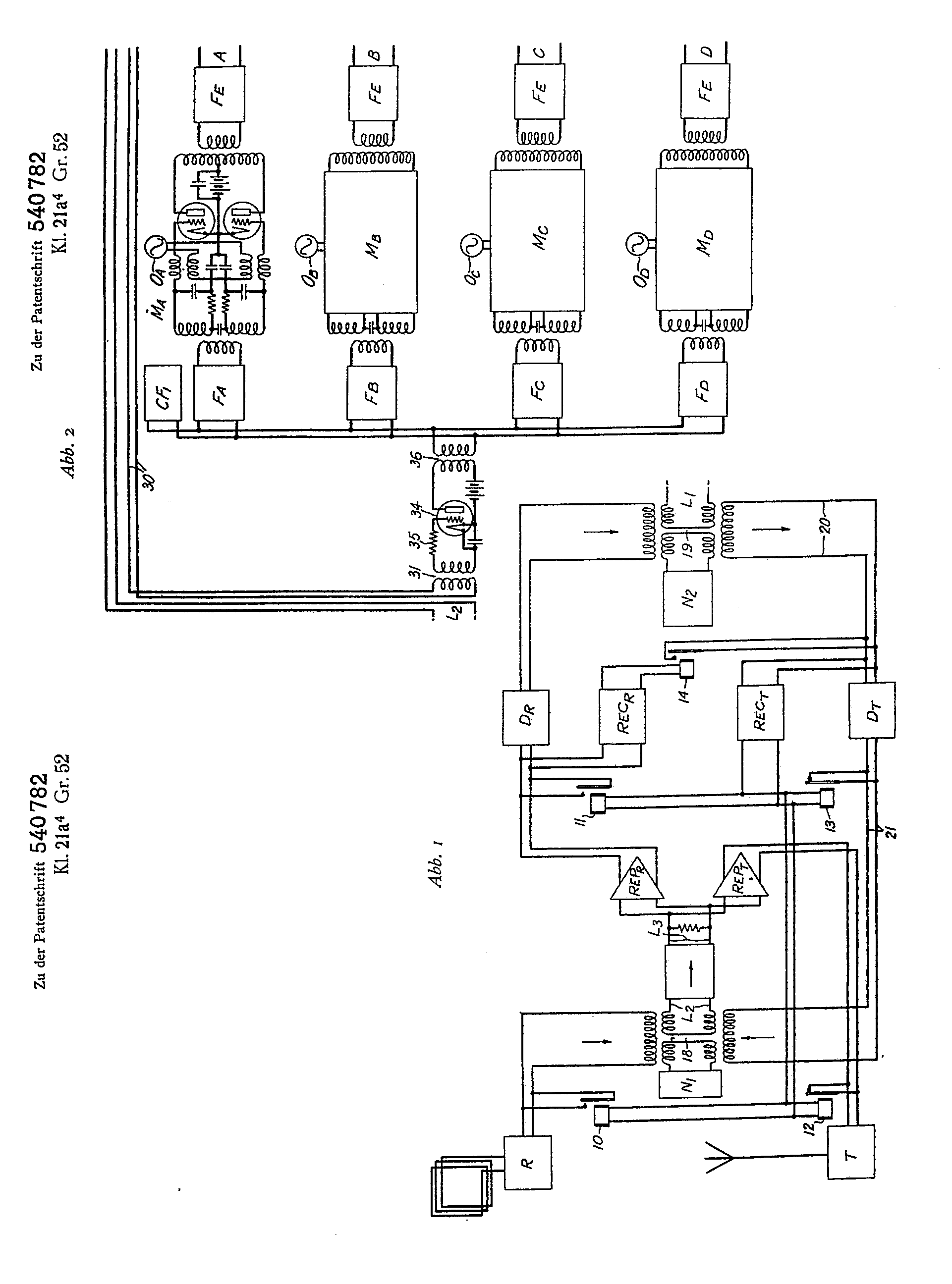
DE540782 Verfahren zur Geheimübertragung von Signalen Application date in Germany 22 May 1928 Applicant International Standard Electric Corporation in New-York USA Patent-Ansprüche: I. Verfahren zur Geheimübertragung von Signalen, bei welchem das Frequenzband der zu übertragenden Signale zuerst in eine Anzahl Unterbänder zerlegt wird, die von gleicher Bandbreite sein können, mit oder ohne Verschiebung gewisser Unterbänder innerhalb des Frequenzspektrums, wobei ....




Please be aware, that the succession of the patent drawing is not always logical
DE591974 The famous Siemens & Halske Geheimschreiber patent. Later coming into being as type T52 a - e (SFM T52 ..) Verfahren zur übermittlung telegraphischer Nachrichten in Geheimschrift Application date 11 October 1930 Patent granted: 18 January 1934. Applicatant Siemens & Halske in Berlin In German patent application usually: the inventor was: Eberhard Hettler in Berlin-Siemensstadt Patent-Ansprüche: I. Verfahren zur Übermittlung telegraphischer Nachrichten in Geheimschrift, wobei die einzelnen Zeichen mittels Impulskombinationen übertragen werden und eine während der Zeichenübertragung ihre Einstellung ändernde Ver- und Entschlüsselvorrichtung vorgesehen ist, dadurch gekennzeichnet, daß die Schlüsselvorrichtung die Reihenfolge .....


We may assume that the following C. Lorenz patent applications directly or indirectly are being linked to their famous Schlüsselzusätze SZ40 and SZ42 (SZ40/42). To understand the nature, as well as difference, between the Siemens G-Schreiber and the Lorenz secret telex system, we have to notice how these had been employed. Siemens built complete telex systems which were very expencive apparatus, but could handle both clear as well as secret messages. The Lorenz system was based on widely available regular telex apparatus (thus much cheaper than the combined Siemens apparatus). The codeing unit known as "Schlüsselzusatz" (auxiliarly module) was a separate unit and doesn't necessarily have to be in the vicinity of the actual telex (Fernschreiber) apparatus location.
DE767350 Verfahren zur Erzeugung und Aussendung von geheimen Mehrfachalphabet-Telegrammen Application date 21 May 1938 Applicant C. Lorenz Aktiengesellschaft, Stuttgart, Inventor Dr. Gerhard Grimsen, (postwar address) Eßlingen/Neckar Patentanspruch (claim): Verfahren zur Erzeugung und Aussendung von geheimen Mehrfachaplhabet-Telegrammen, bei dem der Klartext und Schlüsseltext in Form von kontinuierlich angetriebenen Speichereinrichtungen vorliegen, das Sendeorgan für den Geheimtext gleichsfalls kontinuierlich angetrieben wird und der Geheimtext zeitlich verzögert ausgesendet wird, .... (this might be an indication that the coding device is somewhere else and not being integrated, AOB) ....

DE767351 Verfahren zur verschlüsselung von Nachrichten, die nach dem Prinzip der Telegrafier - Mehrfach - Alphabete übertragen werden Application date 21 May 1938 On behalf of C. Lorenz A.G., Stuttgart, Inventor Dr. Gerhard Grimsen, Eßlingen/Neckar (his postwar address) Patentansprüche (claims): I. verfahren zur verschlüsselung von Nachrichten, die nach dem Prinzip der telegrafier - Mehrfach - Alphabete übertragen werden und durch einen Hauptschlüssel verschlüsselt werden, welcher seinerseits aus zwei Zwischenschlüsseln zusammengesetzt ist, dadurch gekennzeichnet, daß die in der Geheimtelegrafie für die Verschlüsselung an sich bekannten ....

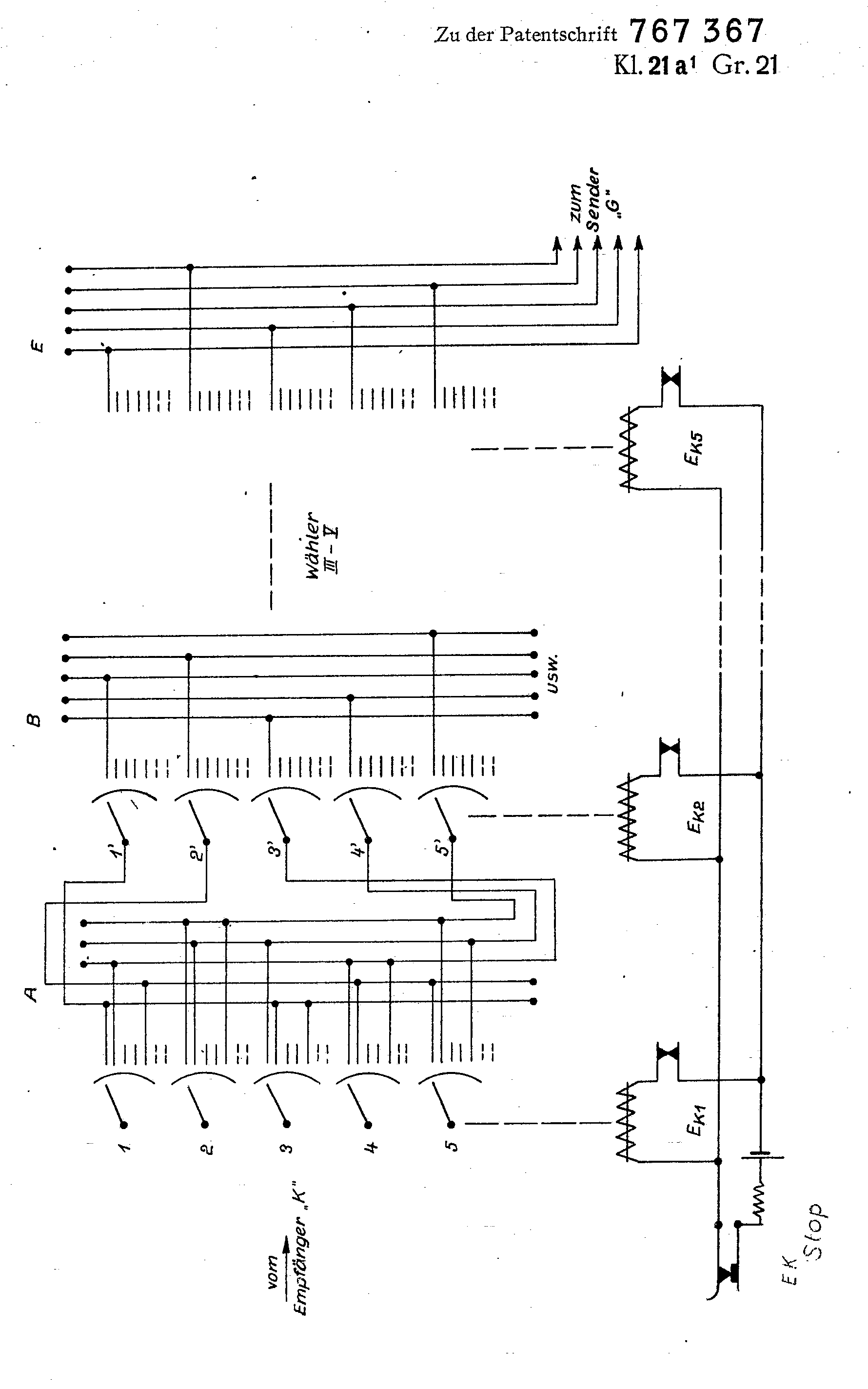
DE767367 Verschlüsselungseinrichtung zur zeitlichen Vertäuschung von Fünfer-Alphabet-Impulsen Application date 11 May 1939 Applicant C. Lorenz A.G. Stuttgart, Inventor Dr. phys. Gerhard Grimsen, postwar address Eßlingen/Neckar Patentanspruch: Verschlüsselungseinrichtung zur zeitlichen vertäuschung von Fünfer-Aphabet-Impulsen durch mindestens fünf fünf armige Wähler mit midestens 24 Schritten dadurch gekennzeichnet, daß bei allen übertragungen Buchstaben die jede jedem der fünf Zeichenelemente des Buchstabens zugeordneten Teile der Verschlüsselungseinrichtung (Wähler I bis V), ....

DE767410 Schalträder mit veränderbaren Nocken Application date 2 November 1939 Applicant C. Lorenz A.G. Stuttgart Inventor Karl Weber, Berlin Tempelhof Patenanspruch (claim): Schaltrad mit veränderbaren Nocken zur Steuerung mechanischer oder elektrischer Vorgänge, die in einer bestimmten, vorher festgelegten Folge ablaufen, und die auf einfache Weise in ihrer Reihenfolge veränderbar sein sollen, dadurch gekennzeichnet, daß die einstellbaren Nocken am Umfang des Schaltrades angebracht und in ihrem Drehpunkt mit diesem fest gelagert sind, und daß eine Rasteinrichtung vorgesehen ist, die die einstellbaren Nocken in ihren beiden Endstellungen festlegt.
This This is
certainly used in the SZ40 as well as SZ42 Schlüsselzusatz (Tunny machine)
DE767451 Magnetische Speichereinrichtung zur Herstellung einer einstellbaren zeitliche Verzögerung von Schlüsselsignalen Application date 23 April 1939 Applicant C. Lorenz Aktiengesellschaft, Stuutgart (like the address of the inventor, both are reflecting their post war address) Inventor Dr. phil. Gerhard Grimsen, Eßlinegn/Neckar Patentanspruch: Magnetische Speichervorrichtung zur Herstellung einer einstellbaren zeitliche verzögerung von Schlüsselsignalen .....

DE767624 Verfahren zu Erzeugung und Aussendung von geheimen Mehrfachalphabet-Telegrammen Zusatz zum patent DE767350 (see above) Application date 7 April 1939 Applicant C. Lorenz Aktiengesellschaft, Stuttgart, Inventor Karl Weber, Berlin-Tempelhof Patentanspruch (claim): verfahren zur Erzeugung und Aussendung von geheimen Mehrfachalphabet-Telegrammen, bei dem der Klartext und der Schlüsseltext in Form von kontinuierlich angetrieben Speichereinrichtungen vorliegen .....

To be continued in due course
Please go back to, or proceed with: Enigma patents
Go back to, or proceed with: Arthur Scherbius' paper in ETZ of 1923
Go back to, or proceed with: Enigma Schlüssel M4
Back to, or proceed with: Handbooks papers and procuct information