Krachtöter (noise limiter)
Basic patent employed in the Köln E52a receiver
Patent DE917130
application date 5 August 1936
granted on 9 April 1942
Published 15 July 1954
Full patent transcription
Patentschrift
Klasse 21a4 Gruppe 2205
Telefunken Gesellschaft für drahtlose Telegra[hie m.b.h., Berlin
Erfinder (Inventor, AOB) Dr. Otto Tüxen
Einrichtung zur Dämpfung störender, einer periodischen Wechselspannung überlagerter Stoßspannung
Es ist bereits bekannt, die einer periodischen Wechselspannung (sinusförmigen Spannung) überlagerter Störspannungen, deren Kurvenform aperiodisch ist oder einen stark gedämpften Schwingungszug darstellt, durch Amplituden Begrenzer zu dämpfen. Als Amplitudenbegrenzer kann z.B. in bekannter Weise die Reihenschaltung eines Gleichrichters und einer Gleichspannungsquelle etwa einer Batterie, verwendet werden, welche den Gleichrichter negativ vorspannt. Die Batteriespannung wird gleich der Amplitude der periodischen Wechselspannung gewählt. Der Gleichrichter ist dann normalerweise nicht leitend und wird erst bei einer überlagerten Stoßspannung, bei der die gesamte Spannung (periodische Wechselspannung + Stoßspannung) an dem zu entstörenden Organ die Batteriespannung überschreitet, leitend. Dadurch wird die Stoßspannung abgeleitet und gedämpft. Die Batteriespannung stellt also die Grenzspannung dar, bei welcher der Gleichrichter leitend wird und die Begrenzung einsetzt. Es ist bekannt, den zur Amplitudenbegrenzung von Niederfrequenzschwingungen dienenden Gleichrichter mit einer Gleichspannung vorzuspannen, die durch Gleichrichtung der verstärkten Niederfrequenzschwingungen gewonnen wird. Dann `paßt sich der Schwellenwert, bei dem die Begrenzung einsetzt, an die Umhüllende der Niederfrequenzschwingungen, also an die Lautstärke, an.
Bei einer anderen bekannten Schaltung, die zur Amplitudenbegrenzung von modulierten Hochfrequenzschwingungen dient, wird die Vorspannung des zur Begrenzung dienenden Gleichrichters aus zwei Spannungen zusammengesetzt, nämlich aus einer Batterie entnommen, mittels eines regelbaren Spannungsteilers einstellbaren Gleichspannung und aus einer so bemessenen, dem Ausgang des Empfängers entnommen Niederfrequenzspannung, daß sich der Schwellenwert der Begrenzung an die Umhüllende anpaßt.
Die Erfindung zeigt eine einfache Schaltungsanordnung zur selbständigen Anpassung des Schwellenwertes der Begrenzung an die zu entstörende Wechselspannung. Die Erfindung besteht darin, daß zu Gewinnung der Vorspannung der zur Amplitudenbegrenzung dienende dämpfende Gleichrichter selbst dient, indem in Reihe mit diesem Gleichrichter ein gegebenenfalls mit einem parallel geschalteten Ableitwiderstand versehener Kondensator mit einer gegenüber einer Periode der zu entstörenden Wechselspannung großen, so bemessene Zeitkonstante gelegt ist, daß bei überlagerten Stoßspannungen keine wesentliche Erhöhung der Vorspannung auftritt.
bei der erfindungsgemäßen Anordnung dient also ein und derselbe Gleichrichter gleichzeitig als Amplitudenbegrenzer und zur Erzeugung der Vorspannung für diesen. Der Kondensator lädt sich nämlich über den Gleichrichter auf die Amplitude der Wechselspannung auf und spannt hierdurch denselben Gleichrichter vor. Daraufhin fließt normalerweise kein merklicher Strom mehr durch die Reihenschaltung. Erst bei einer überlagerten Stoßspannung, bei der die gesamte Spannung wesentlich ansteigt, fließt wieder ein Strom, der die Stoßspannung abdämpft.
Auf einfachste Weise wird somit erreicht, daß die Amplitude der zu entstörenden Wechselspannung und der Schwellenwert, bei dem die Amplitudenbegrenzung einsetzt, immer gleich groß sind. Von der unbestimmten und unter Umständen schwankenden Verstärkung zwischengeschalteter Verstärkerstufen ist man dabei völlig unabhängig. Die erfindungsgemäße Anordnung arbeitet sowohl bei großen als auch bei kleinen Amplituden, wie sie z.B. am Eingang des Empfängers herrschen.
Diese Wirkung tritt bei einer bekannten Einrichtung zur Amplitudenbegrenzung von Telegraphiezeichen nicht ein, bei der die Audionschaltung verwendet wird. Die Anodenspannung ist so bemessen, daß bei dem geringsten betriebsmäßig auftretenden Eingangspegel die Gitterspannungs-Anodenstrom-Kennlinie der Röhre bis annähernd an ihren unteren Knick ausgesteuert wird. Der bei der Aussteuerung des Gitterstromgebietes auftretende Gitterstrom erzeugt eine negative Vorspannung, die sich an die Spannung der Telegraphiezeichen anpaßt. Deshalb werden alle größeren Zeichen durch den unteren Knick der Gitterspannungs-Anodenstrom-Kennlinie auf einen konstanten Wert begrenzt. Wegen dieser Begrenzung durch den unteren Knick wird der schwankende dämpfende Einfluß der Gitter-Kathoden-Strecke nicht ausgenützt, tritt also im nachfolgenden teil des Empfängers nicht in Erscheinung.
Will man bei der erfindungsgemäßen Anordnung die Stoßspannung in beiden Spannungsrichtungen dämpfen, so empfiehlt es sich, wie an sich bekannt, zwei derartigen Ketten mit umgekehrt gepolten Gleichrichtern parallel zu schalten.
Ein Ausführungsbeispiel der Erfindung zeigt Abb. 1. Parallel zur aperiodisch angekoppelten Eingangsspule eines Empfängers, also zwischen Antenne A und Erdleitung E, liegen zwei Begrenzungsketten, von denen jede aus einer Gleichrichterstrecke G1 bzw. G2 und einer Kapazität C1 bzw. C2 besteht. Parallel zu den beiden Kapazitäten liegen Ableitwiderstände R1 bzw. R2 .Die beiden Ketten sind bis auf die entgegengesetzten Polung der beiden Gleichrichterstrecken der Bemessung nach vollständig gleich. Die Entladungskonstante des Kondensators C1 , also das Produkt aus R1 und C1 , soll groß sein gegenüber einer periode der zu empfangenden Hochfrequenzschwingung.
Um die Wirkungsweise verständlich zu machen, sei zunächst angenommen, daß in der Antenne nur die unmodulierte Schwingung eines einzigen verhältnismäßig starken Senders induziert wird. Nach Einsetzen der Schwingung lädt sich die nicht geerdete Belegung des Kondensators C1 positiv auf, bis seine Spannung die Spannungsamplitude der Empfangsschwingung erreicht hat. Sobald der Kondensatoraufgeladen ist, werden nur noch in den Kulminationspunkt der Schwingung ganz schwache Ströme durch den Gleichrichter fließen, um den geringen Ladungsverlust des Kondensators auszugleichen. Im übrigen wird die Schwingung unbeeinflußt bleiben. Sobald aber plötzliche Spannungsstöße auftreten, die über die durch die Schwingungsamplitude dargestellte Grenze hinausragen, fließt ein merklicher Strom durch die Kette, der die Stoßspannung abdämpft.
Im einzelnen geht die Wirkungsweise aus Abb. 2 hervor. Die Kurve I stellt die zu empfangende Sinusschwingung dar, II die Spannungskurve eines von einer atmosphärischen Entladung herrührenden aperiodischen Stoßes, genauer gesagt, die Spannungskurve, die an der Eingangsspule herrschen würde, wenn die erfindungsgemäße Gleichrichter-Kondensator-Kette nicht eingeschaltet wäre. Sobald nun die Spannung (von der Wirkung der überlagerten Empfangsschwingung soll in diesem Augenblick abgesehen werden) über die Kondensatorspannung anwächst, nimmt die Kette Strom auf, so daß die Stoßspannung abgeflacht wird. Die dadurch wirklich an der Spule auftretende, gegenüber Kurve II verminderte Spannung ist durch die strichpunktierte Kurve III gegeben. Wird der Spannungsabfall am Gleichrichter vernachlässigt, so stellt die Kurve III in ihrem ersten Teil auch die Kondensatorspannung dar. In dem Zeitpunkt A hat die Kondensatorspannung die Höhe der Störspannung erreicht, und die Aufladung hört auf. Von diesem Punkt ab ist die Spannung des Kondensators durch die Kurve IV gegeben, deren Gang durch die langsame Kondensatorentladung über den Widerstand R1 bestimmt ist. Für die Wiedergabe des Empfängers maßgebend ist die Spannung an L, die der abgeflachten Kurve III entspricht.
In Wirklichkeit überlagert sich die Empfangsschwingung der Störung. Die Wirkung der elastischen Amplitudenbegrenzung ist dann die, daß vom Beginn der Störung bis nahezu zum Punkt A die Schwingung im wesentlichen unterdrückt wird. Dieses Loch in der Schwingung ist aber verhältnismäßig klein, so daß die an die Antennenspule angeschlossenen, scharf abgestimmten Kreise während der Pause durchschwingen und so an den Empfangsgleichrichter eine fortlaufende Schwingung gelangt.
Der wesentliche Vorteil ist der, daß der steile Anstieg der Strörung, der in erster Linie für den Anstoß der Schwingungskreise zu Eigenschwingungen großer Amplitude verantwortlich ist. Die Forderung, daß dieser Erfolg bei möglichst allen vorkommenden Störungen erreicht wird, ergibt sich eine untere Grenze für die Größe des Kondensators und auch die Leitfähigkeit des Gleichrichters in der Durchlaßphase.
Die aus G2 ,C2 und R2 bestehende Kette hat die Aufgabe, in entsprechender Weise Störungen umgekehrter Spannungsrichtung abzudämpfen.
Die erfindungsgemäße Anordnung hat eine gewisse Verzerrung der Empfangsschwingung zur Folge, wenn diese moduliert ist. Sobald die Amplitude ansteigt, werden die Kuppen der Schwingung in stärkerer Weise abgeschnitten als bei gleichbleibender Amplitude. Will man diese Verzerrung klein halten, so dürfen die Kondensatoren nicht zu groß gewählt werden. Verringern lassen sich die Verzerrungen, wenn man die Entladungskonstante des Kondensators größer wählt als der Periode der niedrigsten Modulationsfrequenz, also etwa gleich einer Zehntelsekunde. Die Spannung des Kondensators macht dann die Amplitudenschwankungen nicht mehr mit und bleibt beispielsweise bei 100%iger Modulation auf dem doppelten Wert der Trägeramplitude. Es besteht dann allerdings der nachteil, daß von zwei Störungen, die schneller als in einer Zehntelsekunde aufeinanderfolgen, die zweite weniger abgedämpft wird, da der Kondensator sich noch nicht auf seine normale Spannung entladen hat. In solchen Fällen wird man daher die Entladungskonstante größenordnungsgemäß gleich der Periode einer mittlern Modulationsfrequenz wählen. Unter Umständen wird es sich empfehlen, Kondensatoren und Widerstände regelbar anzuordnen, um sich den jeweiligen Verhältnisse anpassen zu können.\
Die Schaltung nach Abb. 3 unterscheidet sich von der in Abb. 1 dargestellten im wesentlichen nur dadurch, daß in der Antennenleitung vor dem Eintritt in das Entstörungsorgan und den Empfänger ein gegebenenfalls regelbarer ohmscher Widerstand R eingeschaltet ist. Dieser dient einerseits zur zusätzlichen Dämpfung des aus Antenne, Spule und Erde bestehenden Eingangskreises, zweitens zur Erzielung eines größeren Spannungsabfalles beim Ansprechen der Begrenzerketten. Ferner ist noch dargestellt, daß die gefilterte Hochfrequenzenergie vor der ersten Verstärkung über einen trennscharf abgestimmten Zwischenkreis Z geführt wird, was zur Vermeidung von Kreuzmodulation zweckmäßig ist.
Abb. 4 stellt eine etwas abgeänderte Schaltung dar, bei der nur ein Kondensator C vorgesehen ist, der durch beide Halbwellen der Schwingung mittels der vier Gleichrichter G1 , G2 , G3 , G4 nach dem Prinzip der an sich bekannten Graetzschen Schaltung aufgeladen wird. Der Vorteil dieser Anordnung liegt darin, daß bei gleicher Zeitkonstante die Beschneidung der Schwingungskuppen geringer ist als bei der Anordnung gemäß Abb.1, weil in jeder Halbperiode eine Nachladung an der erste Röhre ist im vorliegenden Fall rein aperiodisch ausgeführt.
Selbstverständlich kann die erfindungsgemäße Trägerfrequenz abgestimmten Antennenkreis angewendet werden. Es dürfen sich dann aber zusätzliche Dämpfungsmittel empfehlen. Ferner können die Begrenzungsketten auch parallel zu weiteren, im Empfänger liegenden Hochfrequenz- und Zwischenfrequenzkreisen geschaltet sein. Ihre Anwendung kann sogar im Niederfrequenzteil eines Empfängers* oder parallel zum Belastungswiderstand einer Empfangsdiode erfolgen. *Blue text concerns the Köln E52a
Als Gleichrichterstrecken können beispielsweise Zweipolröhre (diode valve, AOB) oder elektrolytische Gleichrichter Verwendung finden. Wichtig ist, daß die Kapazität des Gleichrichters klein, der Rückstrom (reverse current, AOB) möglichst gering ist und daß die Stromspannungskurve einen möglichst ausgeprägten Knick und große Steilheit in der Durchgansphase besitzt.
Patentansprüche:
1. Empfänger mit einer Einrichtung zur Dämpfung störender, einer periodischen Wechselspannung überlagerter Stoßspannungen, bei der zur Anpassung des Schwellenwertes der Begrenzung an die Amplitude der Wechselspannung parallel zum Übertragungsweg die Reihenschaltung eines dämpfenden Gleichrichters und einer Vorspannung liegt, die durch Gleichrichtung der Wechselspannung gewonnen wird, und bei der im nachfolgenden Teil des Empfängers die Wirkung des sich anpassenden Schwellenwertes erhalten bleibt, dadurch gekennzeichnet, daß zur Gewinnung der Vorspannung der dämpfende Gleichrichter selbst dient, indem in Reihe mit diesem Gleichrichter eine gegebenenfalls mit einem parallelgeschalteten Ableitwiderstand versehener Kondensator mit einer gegenüber einer Periode der zu entstörenden Wechselspannung großen, so bemessenen Zeitkonstante gelegt ist, daß die überlagerten Stoßspannungen keine wesentliche Erhöhung der Vorspannung auftritt.
2. Einrichtung nach Anspruch 1, dadurch gekennzeichnet, daß zwei Reihenschaltunegn mit verschieden gepolten Gleichrichtern parallel geschaltet sind.
3. Einrichtung nach Anspruch 1 dadurch gekennzeichnet, daß zwischen der Störspannungsquelle und dem zu entstörenden Organ, dem die Reihenschaltung parallel liegt, ein gegebenenfalls regelbarer, insbesondere ohmscher Belastungswiderstand (R in Abb. 3 und 4) eingeschaltet ist.
4. Einrichtung nach Anspruch 1, dadurch gekennzeichnet, daß parallel zu dem entstörenden Organ eine Schaltungskombination aus einem mit einem ohmschen Widerstand überbrückten Kondensator(C) und vier Gleichrichtern (G1 , G2 , G3 , G4) liegt, von denen entsprechend der an den bekannten Graetschen Gleichrichterschaltung zwei Gleichrichter (G1 , G3) mit ihren Kathoden an die eine Belegung der Kondensators (C) und mit ihren Anoden an je eine Klemme des zu entstörenden Organs und die beiden anderen Gleichrichter (G2 , G4) mit ihren Anoden an die andere Belegung des Kondensators (C) und mit ihren Kathoden an je eine Klemme des zu entstörenden Organs angeschlossen sind (Abb. 4).
5. Empfänger für modulierte hochfrequente Schwingungen mit einer Einrichtung nach Anspruch 1, dadurch gekennzeichnet, daß die Entladungskonstante des Kondensators, dem gegebenenfalls ein Ableitwiderstand parallel geschaltet ist, mindestens in der Größenordnung einer Periode der mittleren Modulationsfrequenz liegt.
6. Empfänger nach Anspruch 5. dadurch gekennzeichnet, daß die Entladungskonstante des Kondensators groß ist gegenüber einer Periode der tiefsten Modulationsfrequenz.
7. Empfänger mit einer Einrichtung nach Anspruch 1. dadurch gekennzeichnet, daß die Reihenschaltung am Eingang des Empfängers liegt.
8. Empfänger mit einer Einrichtung nach Anspruch 1, dadurch gekennzeichnet, daß der Kondensator und/oder der Ableitwiderstand regelbar sind.
9. Empfänger mit einer Einrichtung nach Anspruch 1, gekennzeichnet durch die Anwendung im Niederfrequenzteil.
10. Empfänger mit einerEinrichtung nach Anspruch 1, dadurch gekennzeichnet, daß die Reihenschaltung parallel zum Belastungswiderstand einer Empfangszweipolröhre liegt.
Angezogene Druckschriften:
USA.- Patentschrift Nr. 2121735
deutsche Patentschrift Nr. 526890
britische Patentschrift Nr. 444049
französische Patentschrift Nr. 771327
österreichische Patentschrift Nr. 143054, 126709

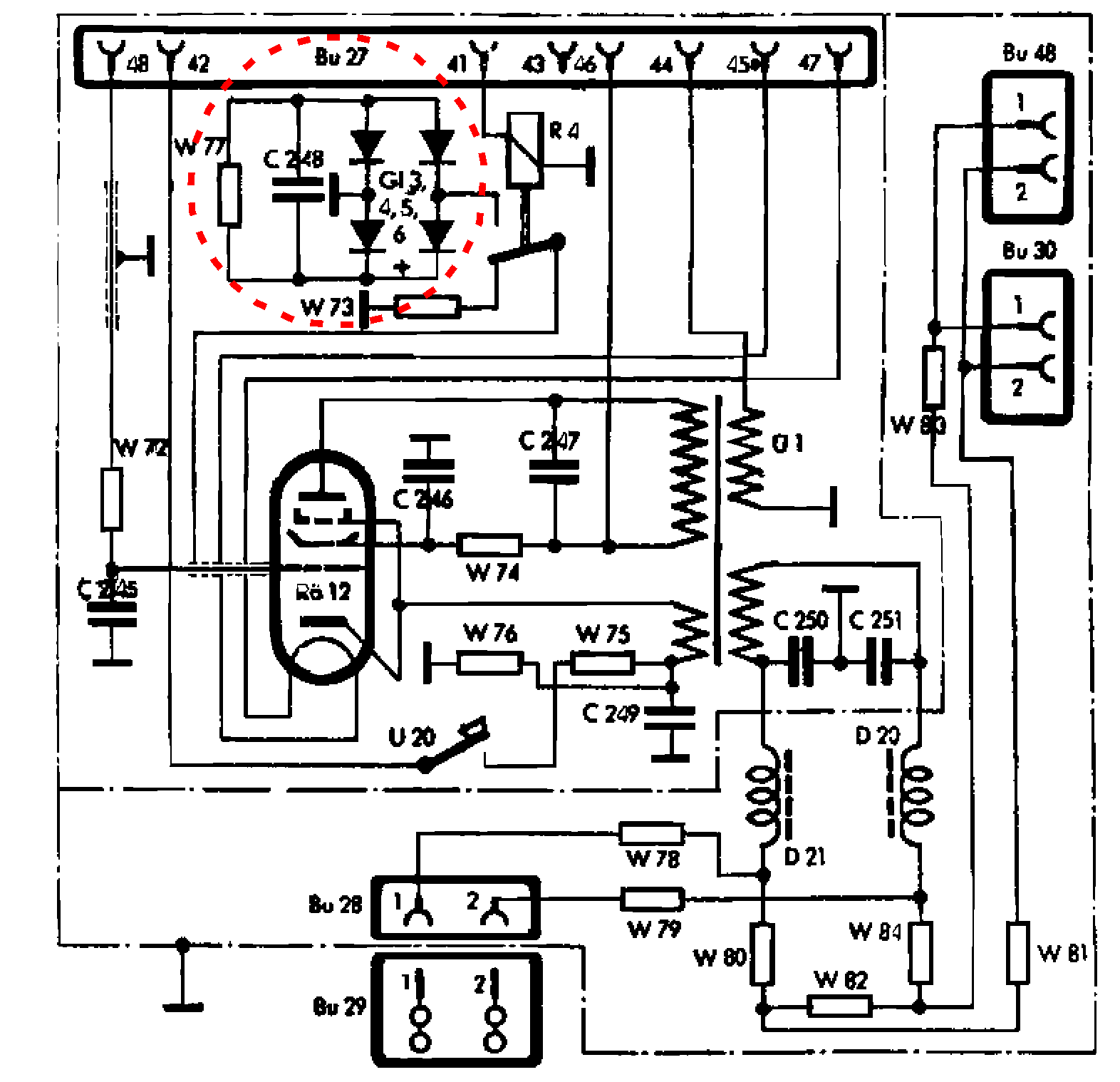
Schematic diagram of the audio stage (NF-Baustein) derived of the original E52a manual.
The "Krachtöter" (noise limiter, translated it should be called "noise killer"). The relay R 4 was meant to be switched from the E52 remote control unit. This latter device never reached actual service. It was designed by Siemens & Halske (1939-1941). It is likely, that only prototypes had been manufactured (so-called Null-Serie). Consider for its description "Luft-Bodenprogramm".
Back to: Köln E52 main page