
EZ6 Funkpeilsystem
Also known as: FuG 10 P (FuG X P)
Frieseke & Höpfner
Potsdam-Babelsberg
Werkschrift
(Manufacture manual)
Beschreibung und Bedienungsvorschrift
für den
Automatischen Peilzusatz APZ6
Ausgabe März 1942
Some pages are of minor quality. Resulting is the best copy possible.
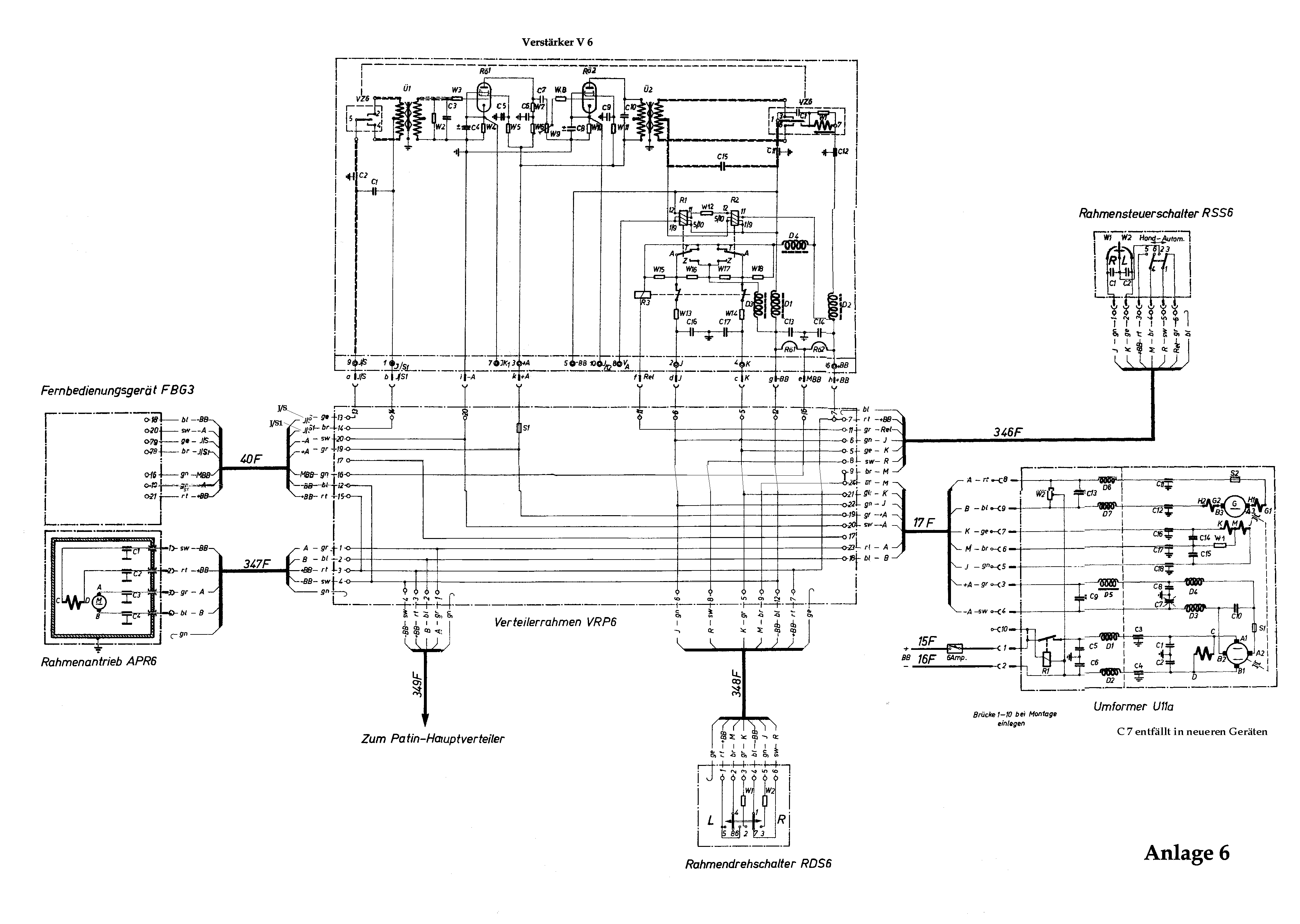
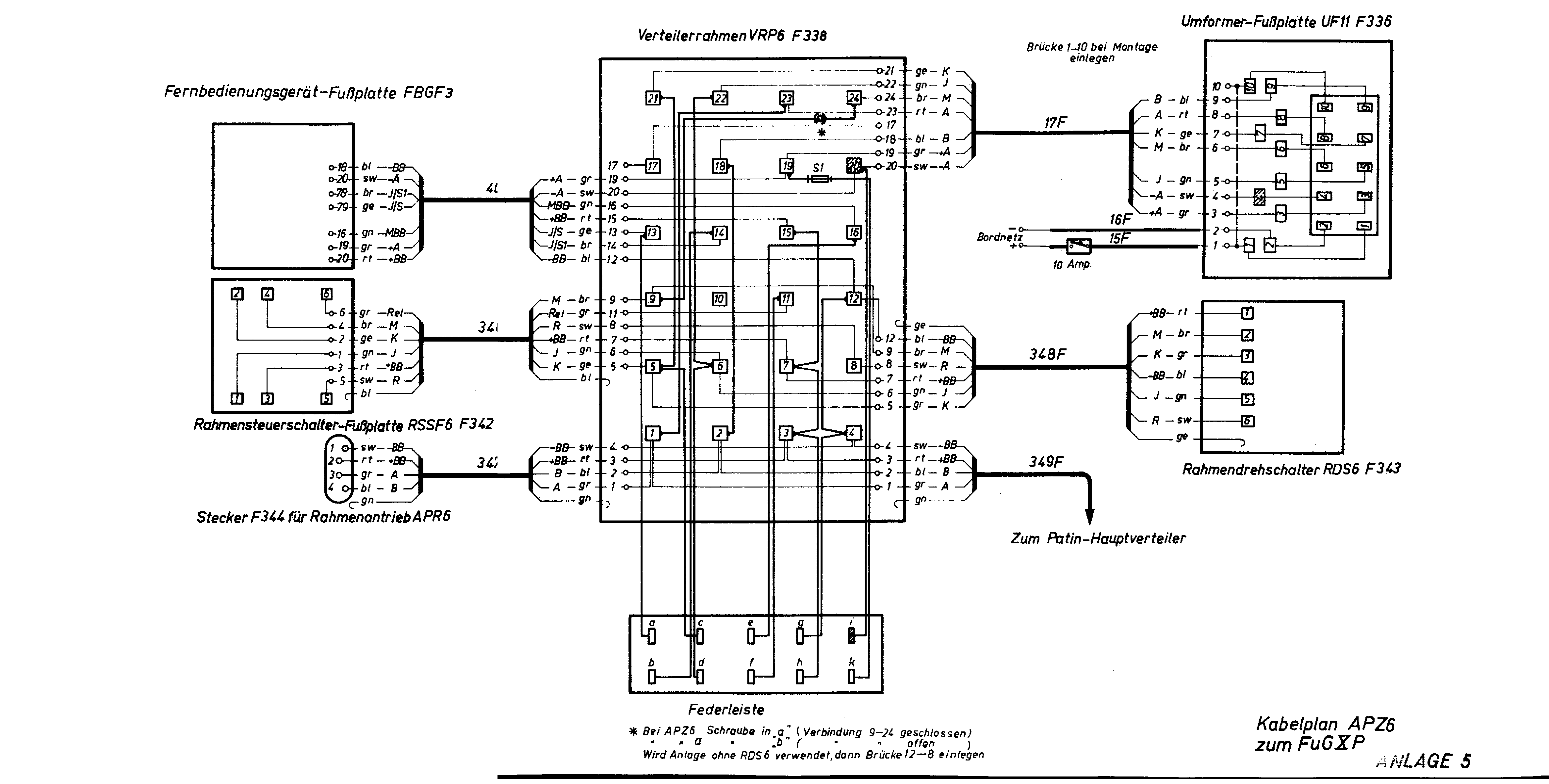
This manual contains two large drawings being one A3 and an A2 schematic diagram. Both are too big to be printed on the regular A4 format. There is, however, a way out this dilemma. When you save the "gif" version of Anlage 5 and Anlage 6 and click on it in your own program then often automatically opens "Windows viewer". This program prints everything in A4 format, even though its size is smaller. But what it does in this case is, that now it is degreasing the file size, so that it prints the full schematic on A4 size. Very helpful tool! To select the two files click on it, or copy it directly from our website.
Anlage 5 (originallly in A3 format)(DIN-A3)
To view this drawing in detail, please activate the next hyperlink
Anlage 5 in PDF
Anlage 6 (originally in A2 format)(DIN-A2)
To view this drawing in detail, please activate the next hyperlink
Anlage 6 in PDF
To print both drawings, open them (the 'gif' versions) in "Windows viewer" by means of clicking (after you have copied it into your own computer). The Adobe reader (PDF) might not print it appropriately as you need a real A3 and/or A2 printer!
The schematic diagram of the EZ6 receiver has been added to it, as it does not belong to this manual.
Back to, or proceed with: Exhibits new
Back to, or proceed with: Handbook papers and product information